LEMON Manuals: Even more car manuals for everyone: 1960-2025
Home >> Mazda >> 2008 >> 6 L4-2.3L >> Repair and Diagnosis >> Transmission and Drivetrain >> Manual Transmission/Transaxle >> Service and Repair >> Overhaul >> Manual Transaxle G35M-R >> Overhaul Procedures G35M-R >> Primary Shaft Components Assembly >> 3RD/4TH Clutch Hub Assembly Note
April 5, 2026: LEMON Manuals is launched! Read the announcement.

3RD/4TH Clutch Hub Assembly Note

3rd/4th Clutch Hub Assembly Note





1. Install the synchronizer key springs in the clutch hub with the hooks in the grooves to hold the three synchronizer key in place.

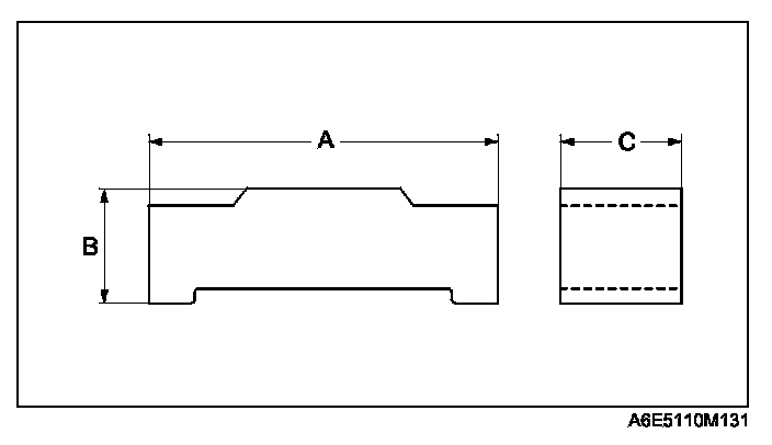
Synchronizer key size
A: 17.0 mm (0.669 in)
B: 4.25 mm (0.167 in)
C: 5.0 mm (0.20 in)

2. Align the synchronizer ring grooves with the synchronizer key during assembly.