LEMON Manuals: Even more car manuals for everyone: 1960-2025
Home >> Mazda >> 2010 >> 3 L4-2.0L >> Repair and Diagnosis >> Body and Frame >> Locks >> Keyless Entry >> Testing and Inspection >> Symptom Related Diagnostic Procedures >> Keyless Entry System >> Keyless Entry System Wiring Diagram - Keyless Entry System
April 5, 2026: LEMON Manuals is launched! Read the announcement.

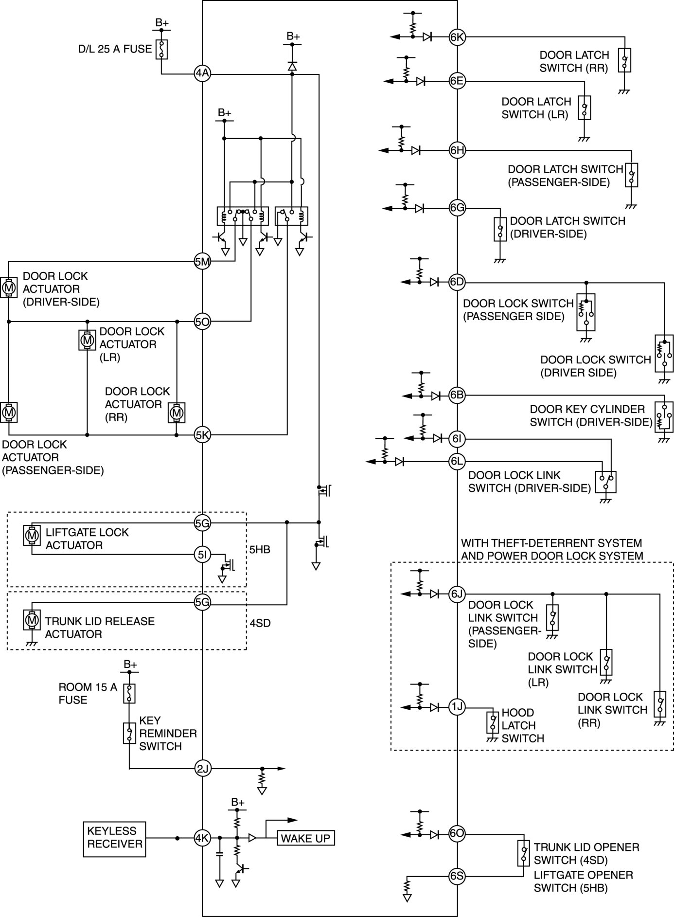
Keyless Entry System Wiring Diagram - Keyless Entry System




KEYLESS ENTRY SYSTEM WIRING DIAGRAM [KEYLESS ENTRY SYSTEM]