LEMON Manuals: Even more car manuals for everyone: 1960-2025
Home >> Mazda >> 2010 >> 6 V6-3.7L >> Repair and Diagnosis >> Accessories and Optional Equipment >> Antitheft and Alarm Systems >> Keyless Entry >> Testing and Inspection >> Symptom Related Diagnostic Procedures >> Advanced Keyless Entry And Push Button Start System >> Keyless Entry System Wiring Diagram - Advanced Keyless Entry And Push Button Start System
April 5, 2026: LEMON Manuals is launched! Read the announcement.

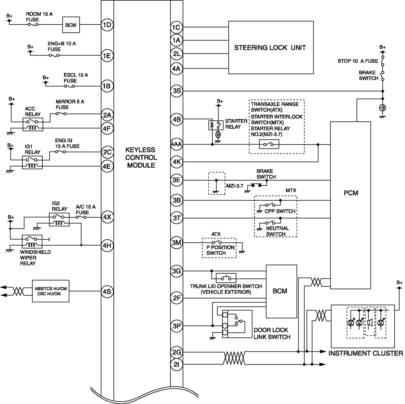
Keyless Entry System Wiring Diagram - Advanced Keyless Entry And Push Button Start System




KEYLESS ENTRY SYSTEM WIRING DIAGRAM [ADVANCED KEYLESS ENTRY AND PUSH BUTTON START SYSTEM]