LEMON Manuals: Even more car manuals for everyone: 1960-2025
Home >> Mazda >> 2011 >> 2 Touring, 1.5 Z, Standard >> Repair and Diagnosis >> Engine Performance >> Engine Control Systems >> Engine Control System MZR 1.5 >> Control System Wiring Diagram
April 5, 2026: LEMON Manuals is launched! Read the announcement.

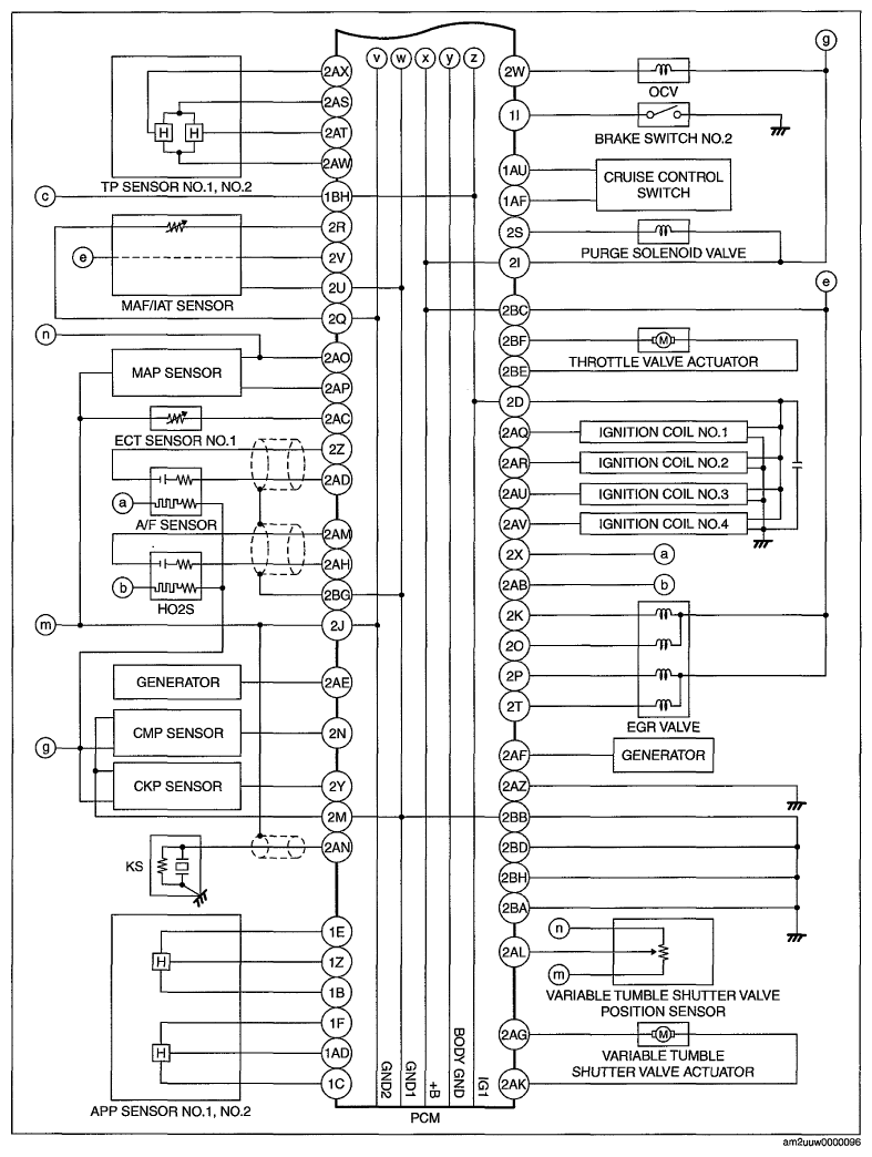
Control System Wiring Diagram

Fig 1: Control System - Wiring Diagram (1 Of 2)
G06940745Courtesy of MAZDA MOTORS CORP.
Fig 2: Control System - Wiring Diagram (2 Of 2)
G06940746Courtesy of MAZDA MOTORS CORP.