LEMON Manuals: Even more car manuals for everyone: 1960-2025
Home >> Mazda >> 2011 >> 6 L4-2.5L >> Repair and Diagnosis >> Body and Frame >> Locks >> Keyless Entry >> Testing and Inspection >> Symptom Related Diagnostic Procedures >> Advanced Keyless Entry And Push Button Start System >> System Wiring Diagram
April 5, 2026: LEMON Manuals is launched! Read the announcement.

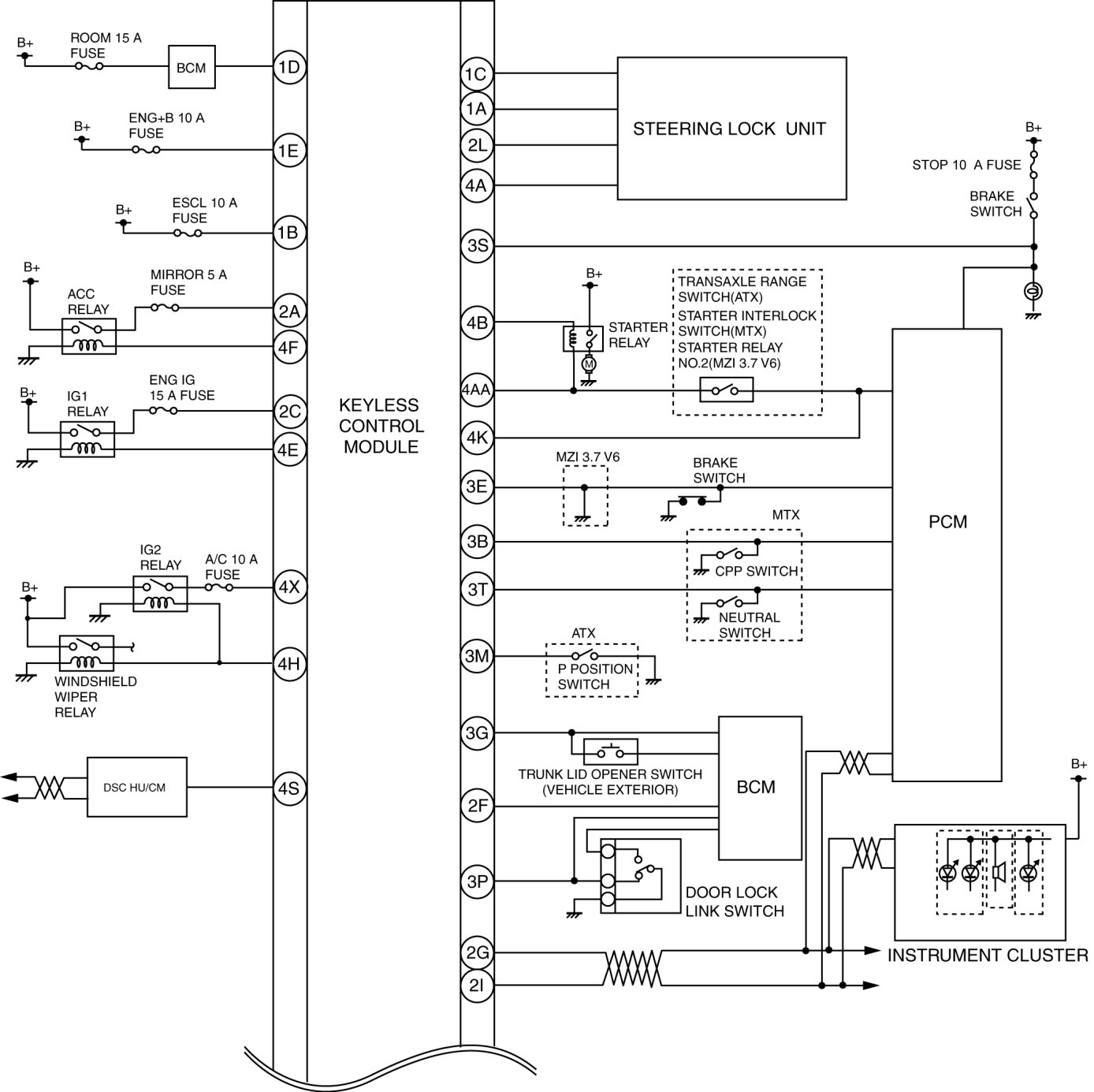
System Wiring Diagram




KEYLESS ENTRY SYSTEM WIRING DIAGRAM [ADVANCED KEYLESS ENTRY AND PUSH BUTTON START SYSTEM]