LEMON Manuals: Even more car manuals for everyone: 1960-2025
Home >> Mazda >> 2011 >> 6 L4-2.5L >> Repair and Diagnosis >> Diagrams >> Electrical Diagrams >> Windows >> Power Window System (Auto-Open/Close Function For Front Window)
April 5, 2026: LEMON Manuals is launched! Read the announcement.

Power Window System (Auto-Open/Close Function For Front Window)

Diagram 0912-8a:




Connectors 0912-8a:




Routing View 0912-8a:






Diagram 0912-8b:




Connectors 0912-8b:




Routing View 0912-8b:






Diagram 0912-8c:




Connectors 0912-8c:




Routing View 0912-8c:






Diagram 0912-8d:




Connectors 0912-8d:




Routing View 0912-8d:






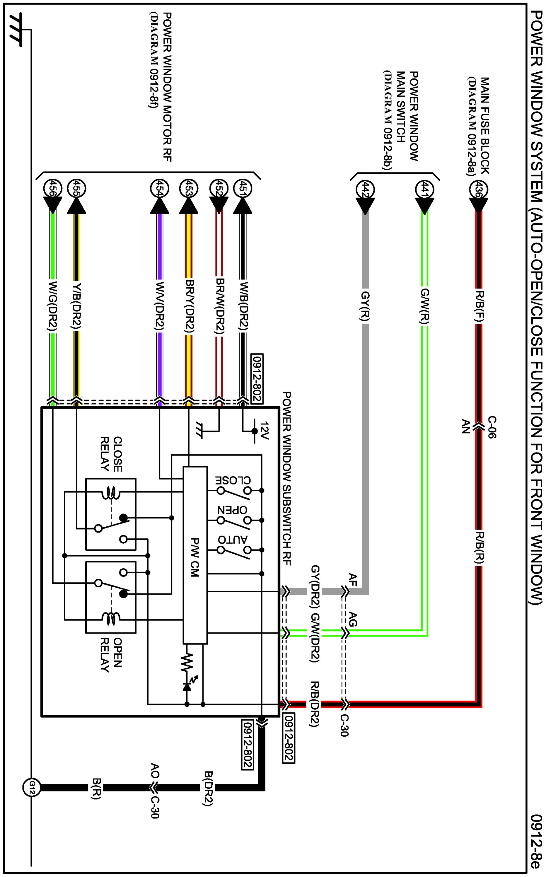
Diagram 0912-8e:




Connectors 0912-8e:




Routing View 0912-8e:






Diagram 0912-8f:




Connectors 0912-8f:




Routing View 0912-8f:






Diagram 0912-8g:




Connectors 0912-8g:




Routing View 0912-8g:






Diagrams: Other diagrams referred to by name within these diagrams can be found at Diagrams by Diagram Name. Diagrams By Diagram Name