LEMON Manuals: Even more car manuals for everyone: 1960-2025
Home >> Mazda >> 2011 >> CX-9 AWD V6-3.7L >> Repair and Diagnosis >> Accessories and Optional Equipment >> Memory Positioning Systems >> Testing and Inspection >> Scan Tool Testing and Procedures >> System Wiring Diagram - Position Memory Control System
April 5, 2026: LEMON Manuals is launched! Read the announcement.

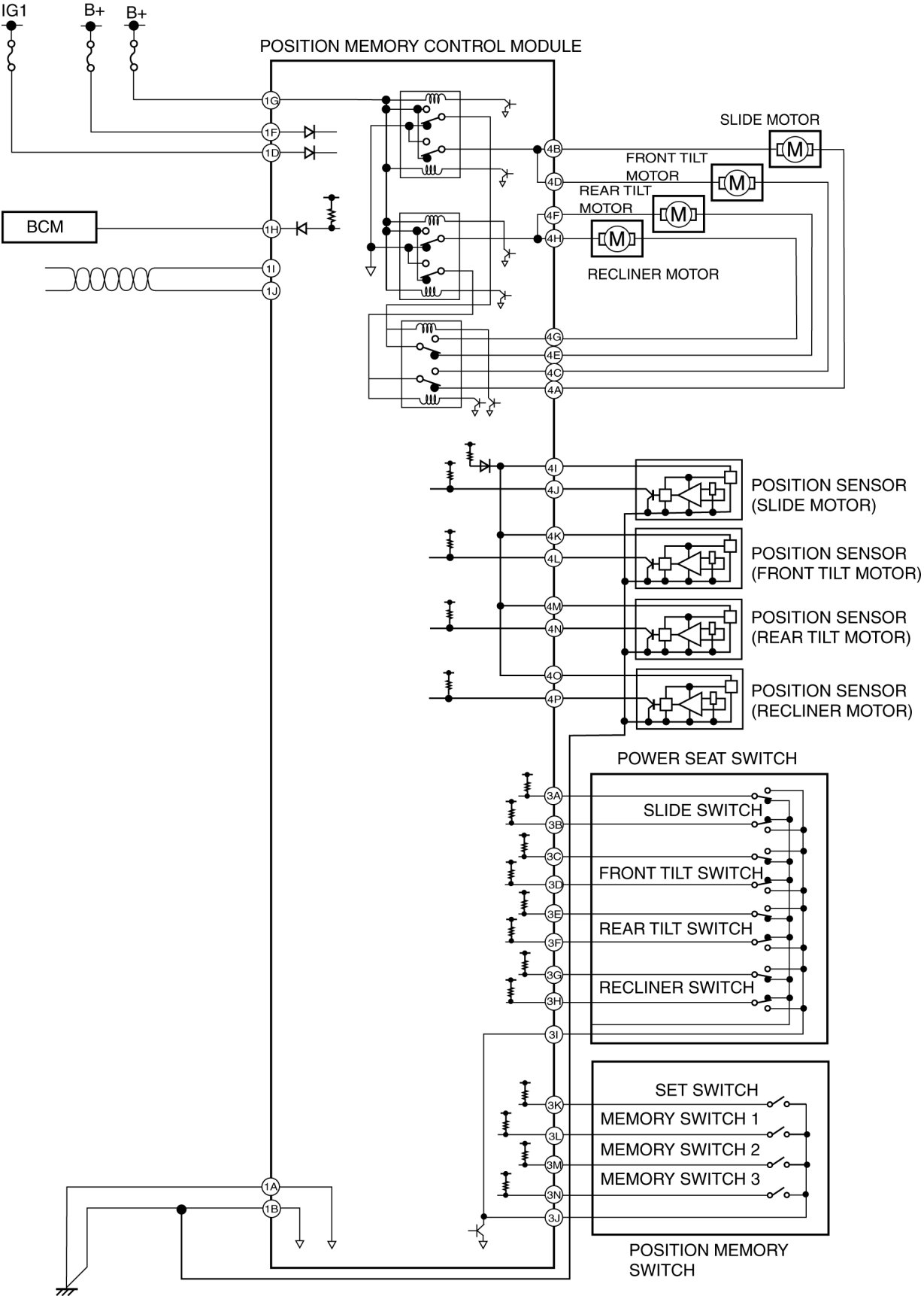
System Wiring Diagram - Position Memory Control System




SYSTEM WIRING DIAGRAM [POSITION MEMORY CONTROL SYSTEM]