LEMON Manuals: Even more car manuals for everyone: 1960-2025
Home >> Mazda >> 2011 >> RX8 2RTR-1.3L >> Repair and Diagnosis >> Powertrain Management >> Computers and Control Systems >> Testing and Inspection >> Component Tests and General Diagnostics >> Engine Control System Operation Inspection
April 5, 2026: LEMON Manuals is launched! Read the announcement.

Engine Control System Operation Inspection




ENGINE CONTROL SYSTEM OPERATION INSPECTION [13B-MSP]

Input Signal System Investigation Procedure

1. Find an unusual signal.

2. Locate its source.

3. Repair or replace the defective part.

4. Confirm that the unusual signal has been erased.

Finding unusual signals

While referring to ON-BOARD DIAGNOSTIC TEST, use the PID/DATA monitor and record function to inspect the input signal system relating to the problem.
1. Start the engine and idle the vehicle. You can assume that any signals that are out of the specifications by a wide margin are unusual.

2. When recreating the problem, any sudden change in monitor input signals that is not consciously created by the driver can be judged as unusual.

Locating the source of unusual signals

CAUTION:
- Compare the M-MDS monitor voltage with the measurement voltage using the digital measurement system function. If you use another tester, misreading may occur.
- When measuring voltage, attach the tester GND to the GND of the PCM that is being tested, or to the engine itself. If this is not done, the measured voltage and actual voltage may differ.
- After connecting the pin to a waterproof coupler, confirming continuity and measuring the voltage, inspect the waterproof connector for cracks. If there are any, use sealant to fix them. Failure to do this may result in deterioration of the wiring harness or terminal from water damage, leading to problems with the vehicle.

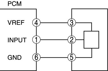
Hall or piezo-electric type (TP sensor, APP sensor and BARO sensor)





Investigate the input signal system for hall or piezo-electric type

1. When you get an unusual signal, measure the #1 PCM terminal voltage.

- If the #1 terminal voltage and the M-MDS monitor voltage are the same, proceed to the next step.
- If there is a difference of 0.5 V or more, inspect for the following points concerning the PCM connector:

- Female terminal opening is loose.
- Coupler (pin holder) damage
- Pin discoloration (blackness)
- Wiring harness/pin crimp is loose or disconnected.

2. Measure the #2 sensor terminal voltage.

- If there is a 0.5 V or more difference between the sensor and the M-MDS voltages, inspect the wiring harness for an open or short circuits.
- If the sensor and the M-MDS voltages are the same, inspect for the following points concerning the sensor connector:

- Female terminal opening is loose.
- Coupler (pin holder) damage
- Pin discoloration (blackness)

- If there are no problems, proceed to next investigation.

Investigate the standard power supply system for hall or piezo-electric type

- Confirm that the #3 terminal is at 5 V.

- If the measured voltage on the #3 terminal is 5 V, inspect the following points on the sensor connector.
- If there is no problem, inspect for the following:

- Female terminal opening loose
- Coupler (pin holder) damage
- Pin discoloration (blackness)

- If the #3 terminal measures other than 5 V, inspect for the following:

- Open or short circuit in wiring harness
- Wiring harness/pin crimp is loose or disconnected.

Investigate the GND system for hall or piezo-electric type

- Confirm that terminal sensor #5 is at 0 V.

- If it is at 0 V, inspect the sensor.

- If necessary, replace the sensor.

- If not, inspect for the following:

- Open or short circuit in wiring harness
- Female terminal opening is loose causing an open or short circuit in wiring harness
- Coupler (pin holder) damage
- Pin discoloration (blackness)
- Wiring harness/pin crimp is loose or disconnected.

Hot wire type (fuel tank level sensor and mass air flow (MAF) sensor)





Investigate the GND system for hot wire type

- Confirm that terminal sensor #4 is at 0 V.

- If it is at 0 V, inspect the sensor.

- If necessary, replace the sensor.

- If not at 0 V, inspect for the following:

- Open circuit in wiring harness
- Female terminal opening is loose.
- Coupler (pin holder) damage
- Pin discoloration (blackness)
- Wiring harness/pin crimp is loose or disconnected.

Investigate the input signal system for hot wire type

1. When you get an unusual signal, measure the #1 PCM terminal voltage.

- If the #1 terminal voltage and the M-MDS monitor voltage are the same, proceed to the next step.
- If there is a difference of 0.5 V or more, inspect for the following points concerning the PCM connector:

- Female terminal opening is loose.
- Coupler (pin holder) damage
- Pin discoloration (blackness)
- Wiring harness/pin crimp is loose or disconnected.

2. Measure the #2 sensor terminal voltage.

- If there is a 0.5 V or more difference between the sensor and the M-MDS voltages, inspect the wiring harness for an open or short circuits.
- If the sensor and the M-MDS voltages are the same, inspect the following points concerning the sensor connector:

- Female terminal opening is loose.
- Coupler (pin holder) damage
- Pin discoloration (blackness)
- Wiring harness/pin crimp is loose or disconnected.

- If there are no problems, proceed to next investigation.

Investigate the electrical supply system for hot wire type

- Confirm that the sensor #3 terminal is B+.

- If the measured voltage on the #3 terminal is B+, inspect the following points on the sensor connector.
- If there is no problem, inspect for the following:

- Female terminal opening is loose.
- Coupler (pin holder) damage
- Pin discoloration (blackness)

- If the #3 terminal measures other than B+, inspect the following:

- Open or short circuit in wiring harness
- Wiring harness/pin crimp is loose or disconnected.

Thermistor type (IAT sensor and ECT sensor)





Investigate the input signal system for thermistor type

1. When you get an unusual signal, measure the #1 PCM terminal voltage.

- If the #1 terminal voltage and the M-MDS monitor voltage are the same, proceed to the next step.
- If there is a difference of 0.5 V or more, inspect the following points concerning the PCM connector:

- Female terminal opening loose
- Coupler (pin holder) damage
- Pin discoloration (blackness)
- Wiring harness/pin crimp is loose or disconnected.

2. Measure the #2 sensor terminal voltage.

- If there is a 0.5 V or more difference between the sensor and the M-MDS voltages, inspect the wiring harness for an open or short circuits.
- If the sensor and the M-MDS voltages are the same, inspect the following points concerning the sensor connector:

- Female terminal opening is loose.
- Coupler (pin holder) damage
- Pin discoloration (blackness)
- Wiring harness/pin crimp is loose or disconnected.

- If there are no problems, proceed to next investigation.

Investigate the GND system for thermistor type

- Confirm that terminal sensor #3 is at 0 V.

- If it is at 0 V, inspect the sensor. If necessary, replace the sensor.
- If not, inspect for the following:

- Open circuit in wiring harness
- Female terminal opening is loose.
- Coupler (pin holder) damage
- Pin discoloration (blackness)
- Wiring harness/pin crimp is loose or disconnected.

Main Relay Operation Inspection

1. Verify that the main relay clicks when the ignition switch is turned to the ON position and off.

- If there is no operation sound, inspect the following:

- Main relay Testing and Inspection
- Wiring harness and connector between battery and main relay terminal A.
- Wiring harness and connector between PCM terminal 1AW, 1BE and main relay terminal C.
- Wiring harness and connector between PCM terminal 1Q and main relay terminal E.
- Wiring harness and connector between PCM terminal 1AY and engine fuse.

Intake Manifold Vacuum Inspection

1. Verify air intake hoses are installed properly.

2. Start the engine and run it at idle.

3. Disconnect the vacuum hose between the intake manifold and purge solenoid valve from the intake manifold side.

4. Connect a vacuum gauge to the intake manifold and measure the intake manifold vacuum.

- If not as specified, inspect the following:

- Air suction at throttle body and intake manifold installation points
- Fuel injector insulator
- Engine compression
Testing and Inspection

Specification
- MT: -66.7-56.0 kPa {-500-421 mmHg, -19.6-16.6 inHg}
- AT: -66.9-53.1 kPa {-501-399 mmHg, -19.7-15.7 inHg}

NOTE:
- Air suction can be located by engine speed change when lubricant is sprayed on the area where suction is occurring.

Drive-by-wire Control System Inspection

Engine coolant temperature compensation inspection

1. Connect the M-MDS to the DLC-2.

2. Select the following PIDs:

- ECT
- IAT
- RPM

3. Verify that the engine is cold, then start the engine.

4. Verify that the engine speed decreases as the engine warms up.

- If the engine speed does not decrease or decreases slowly, inspect the following:

- ECT sensor and related wiring harness
Testing and Inspection
- Throttle body and related wiring harness
Testing and Inspection

Load compensation inspection

1. Start the engine and run it at idle.

2. Connect the M-MDS to the DLC-2.

3. Verify that P0506 or P0507 is not displayed.

- If P0506 or P0507 are displayed, perform DTC inspection.
Engine - DTC Table

4. Select the RPM PID.
NOTE:
- Excludes temporary idle speed drop just after the loads are turned on.

5. Verify that the engine speed is within the specification under each load condition.

- If load condition is not as specified, inspect the following:

- TR switch (AT)
Testing and Inspection
- Neutral switch/CPP switch (MT)
Testing and Inspection
Testing and Inspection
- Climate control unit (A/C switch and blower fan switch)
Manual Air Conditioner
Full-Auto Air Conditioner
- A/C amplifier
Manual Air Conditioner
Full-Auto Air Conditioner
- CAN signal and related wiring harness (P/S operation signal)
- Charging system (battery and generator)
Testing and Inspection
Testing and Inspection

Standard





*1
The headlight, rear window defroster, blower fan (2-step or more) are on.

Throttle position (TP) sweep inspection

1. Connect the M-MDS to the DLC-2.

2. Turn the ignition switch to the ON position.

3. Verify that none of the following DTC are displayed:

- P0122, P0123, P0222, P0223, P2101, P2107, P2108, P2109, P2112, P2119, P2122, P2123, P2127, P2128, P2135, P2138

- If any one DTC is displayed, perform DTC inspection.

4. Access the TP REL PID.

5. Verify that the PID reading is within the CTP value. PCM Inspection

- If the PID reading is out of range, perform the following:

- Remove the air duct from throttle valve body.
- Verify that the throttle valve opens when accelerator pedal is depressed.

- If the throttle valve opens, inspect the throttle position sensor and the related wiring harness.
- If the throttle valve does not open, inspect the throttle actuator control motor and the related wiring harness.

6. Gradually depress the throttle pedal and verify that the PID reading increases lineally.

- If the PID reading drops momentarily, inspect the following:

- TP sensor

7. Fully depress the throttle pedal and verify that the PID reading is within the WOT value. PCM Inspection

- If the PID reading is out of range, perform the following:

- Remove the air duct from throttle valve body.
- Verify that the throttle valve opens when throttle pedal is depressed.

- If the throttle valve opens, inspect the throttle position sensor and the related wiring harness.
- If the throttle valve does not open, inspect the throttle actuator control motor and the related wiring harness.

Brake override system operation inspection

NOTE:
- If the brake override system operates normally after performing the following inspection, the PCM detects DTC P2299.

1. Start the engine and idle it.

2. Verify that the engine speed is approx.1,200 rpm (MT)/ idle speed (AT) while the all of the following conditions are met.

- Neutral or CPP switch ON (MT)
- P, or N position (AT)
- Engine speed is above 1,200 rpm while not idling.
- Brake pedal is depressed.

- If the engine speed is approx.1,200 rpm (MT)/ idle speed (AT), clear the PCM DTC using the M-MDS. (System operation is normal.)
- If the engine speed is not approx.1,200 rpm (MT)/ idle speed (AT), inspect the following:

- APP sensor
Testing and Inspection
- Neutral switch (MT)
Testing and Inspection
- Clutch switch (MT)
Testing and Inspection
- TR switch (AT)
Testing and Inspection
- Brake switch (No.1 signal)
Testing and Inspection
- Brake switch (No.2 signal)
Testing and Inspection
- Communication between PCM and TCM (AT)
Initial Inspection and Diagnostic Overview