LEMON Manuals: Even more car manuals for everyone: 1960-2025
Home >> Mazda >> 2012 >> 6 L4-2.5L >> Repair and Diagnosis >> Diagrams >> Electrical Diagrams >> Power and Ground Distribution >> System Diagram >> Power System (With Advanced Keyless Entry And Push Button Start System)
April 5, 2026: LEMON Manuals is launched! Read the announcement.

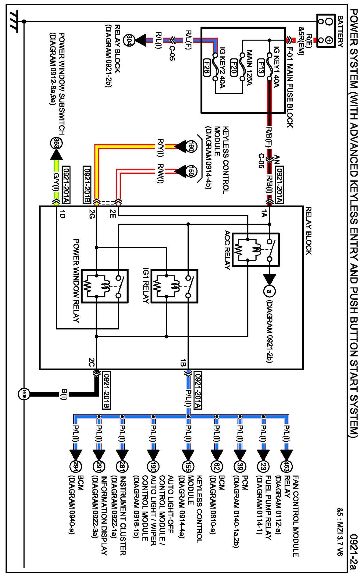
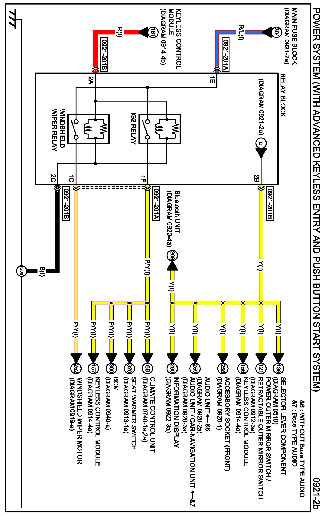
Power System (With Advanced Keyless Entry And Push Button Start System)

Diagram 0921-2a:




Connectors 0921-2a:




Routing View 0921-2a:






Diagram 0921-2b:




Connectors 0921-2b:




Routing View 0921-2b:






Diagrams: Other diagrams referred to by name within these diagrams can be found at Diagrams by Diagram Name. Diagrams By Diagram Name