LEMON Manuals: Even more car manuals for everyone: 1960-2025
Home >> Mazda >> 2012 >> 6 L4-2.5L >> Repair and Diagnosis >> Diagrams >> Electrical Diagrams >> Windows >> Power Window System (Auto-Open/Close Function For Driver-Side Window)
April 5, 2026: LEMON Manuals is launched! Read the announcement.

Power Window System (Auto-Open/Close Function For Driver-Side Window)

Diagram 0912-9a:




Connectors 0912-9a:




Routing View 0912-9a:






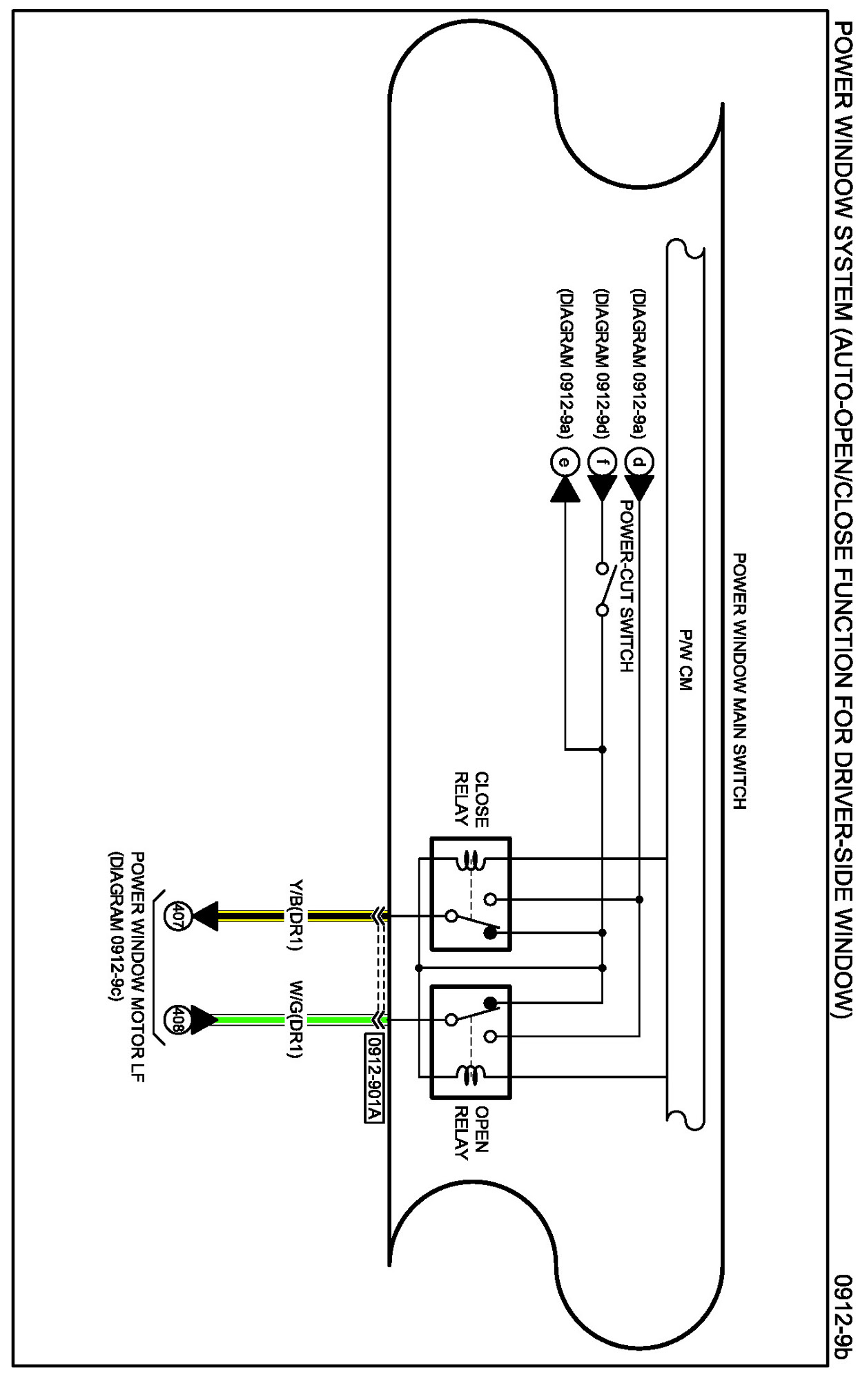
Diagram 0912-9b:




Connectors 0912-9b:




Routing View 0912-9b:






Diagram 0912-9c:




Connectors 0912-9c:




Routing View 0912-9c:






Diagram 0912-9d:




Connectors 0912-9d:




Routing View 0912-9d:






Diagram 0912-9e:




Connectors 0912-9e:




Routing View 0912-9e:






Diagram 0912-9f:




Connectors 0912-9f:




Routing View 0912-9f:






Diagrams: Other diagrams referred to by name within these diagrams can be found at Diagrams by Diagram Name. Diagrams By Diagram Name