LEMON Manuals: Even more car manuals for everyone: 1960-2025
Home >> Mazda >> 2012 >> 6 s Touring Plus >> Repair and Diagnosis (Single Page) >> Accessories & Equipment >> Anti-Theft Systems >> Symptom Troubleshooting [Advanced Keyless Entry And Push Button Start System] >> Keyless Entry System Wiring Diagram [Advanced Keyless Entry And Push Button Start System]
April 5, 2026: LEMON Manuals is launched! Read the announcement.

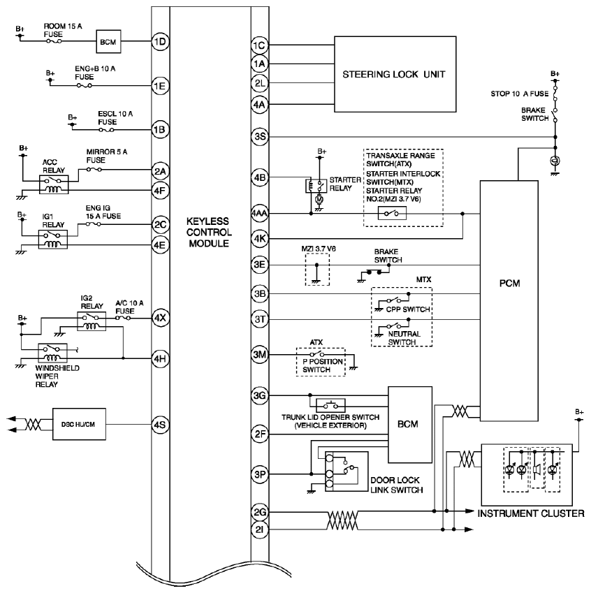
Keyless Entry System Wiring Diagram [Advanced Keyless Entry And Push Button Start System]

Fig 1: Keyless Entry System Wiring Diagram [Advanced Keyless Entry And Push Button Start System] (1 Of 2)
G08144184
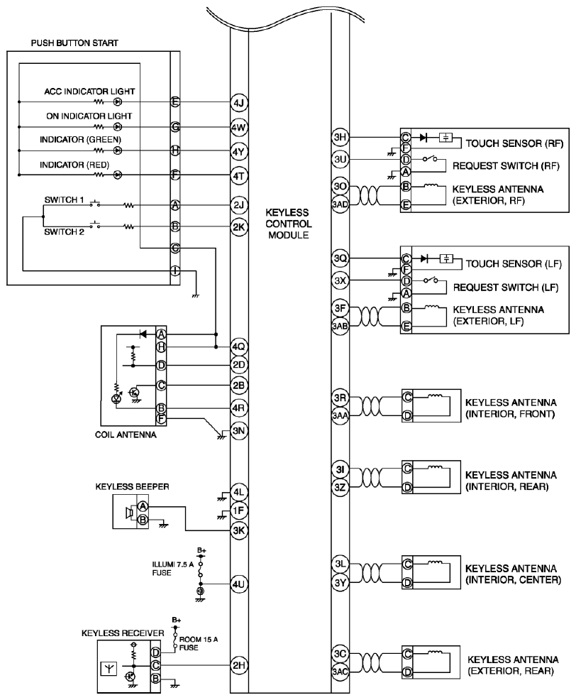
Fig 2: Keyless Entry System Wiring Diagram [Advanced Keyless Entry And Push Button Start System] (2 Of 2)
G08144185