LEMON Manuals: Even more car manuals for everyone: 1960-2025
Home >> Mazda >> 2012 >> Mazdaspeed3 L4-2.3L Turbo >> Repair and Diagnosis >> Body and Frame >> Locks >> Keyless Entry >> Testing and Inspection >> Scan Tool Testing and Procedures >> On-Board Diagnostic Wiring Diagram (Advanced Keyless Entry And Push Button Start System)
April 5, 2026: LEMON Manuals is launched! Read the announcement.

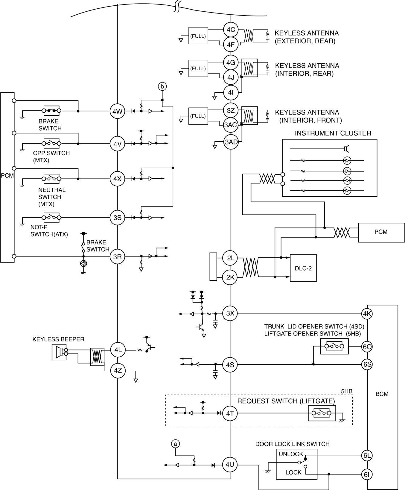
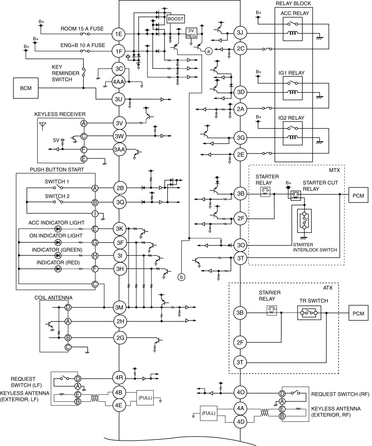
On-Board Diagnostic Wiring Diagram (Advanced Keyless Entry And Push Button Start System)





ON-BOARD DIAGNOSTIC WIRING DIAGRAM [ADVANCED KEYLESS ENTRY AND PUSH BUTTON START SYSTEM]