LEMON Manuals: Even more car manuals for everyone: 1960-2025
Home >> Mazda >> 2012 >> Mazdaspeed3 L4-2.3L Turbo >> Repair and Diagnosis >> Diagrams >> Electrical Diagrams >> Power Locks >> Door Lock System (With Advanced Keyless Entry And Push Button Start System, TPMS)
April 5, 2026: LEMON Manuals is launched! Read the announcement.

Door Lock System (With Advanced Keyless Entry And Push Button Start System, TPMS)

Diagram 0914-2a:




Connectors 0914-2a:




Routing View 0914-2a:






Diagram 0914-2b:




Connectors 0914-2b:




Routing View 0914-2b:






Diagram 0914-2c:




Connectors 0914-2c:




Routing View 0914-2c:






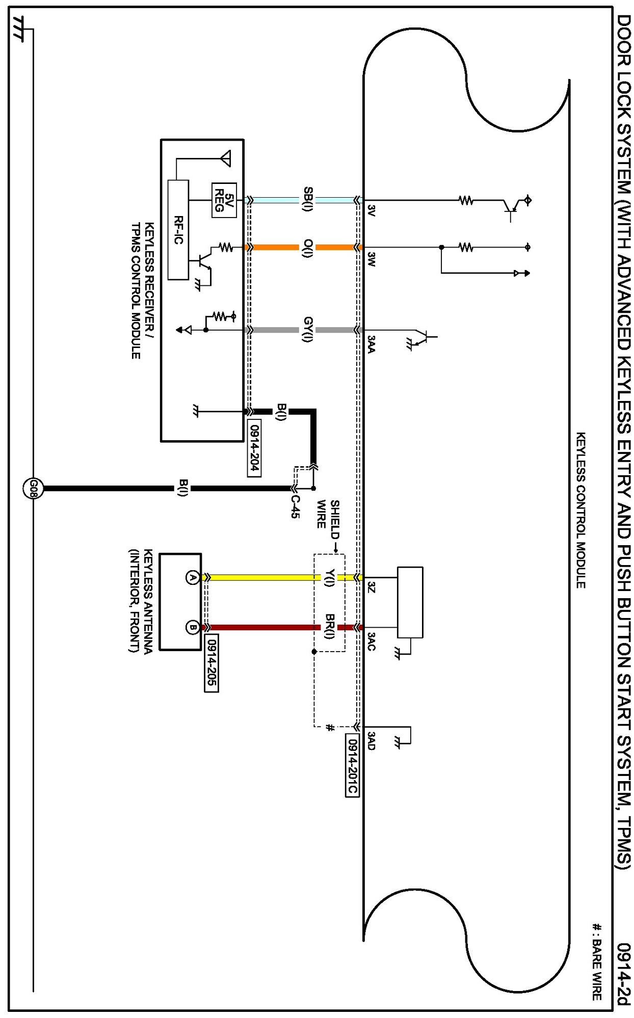
Diagram 0914-2d:




Connectors 0914-2d:




Routing View 0914-2d:






Diagram 0914-2e:




Connectors 0914-2e:




Routing View 0914-2e:






Diagram 0914-2f:




Connectors 0914-2f:




Routing View 0914-2f:






Diagram 0914-2g:




Connectors 0914-2g:




Routing View 0914-2g:






Diagram 0914-2h:




Connectors 0914-2h:




Routing View 0914-2h:






Diagram 0914-2i:




Connectors 0914-2i:




Routing View 0914-2i:






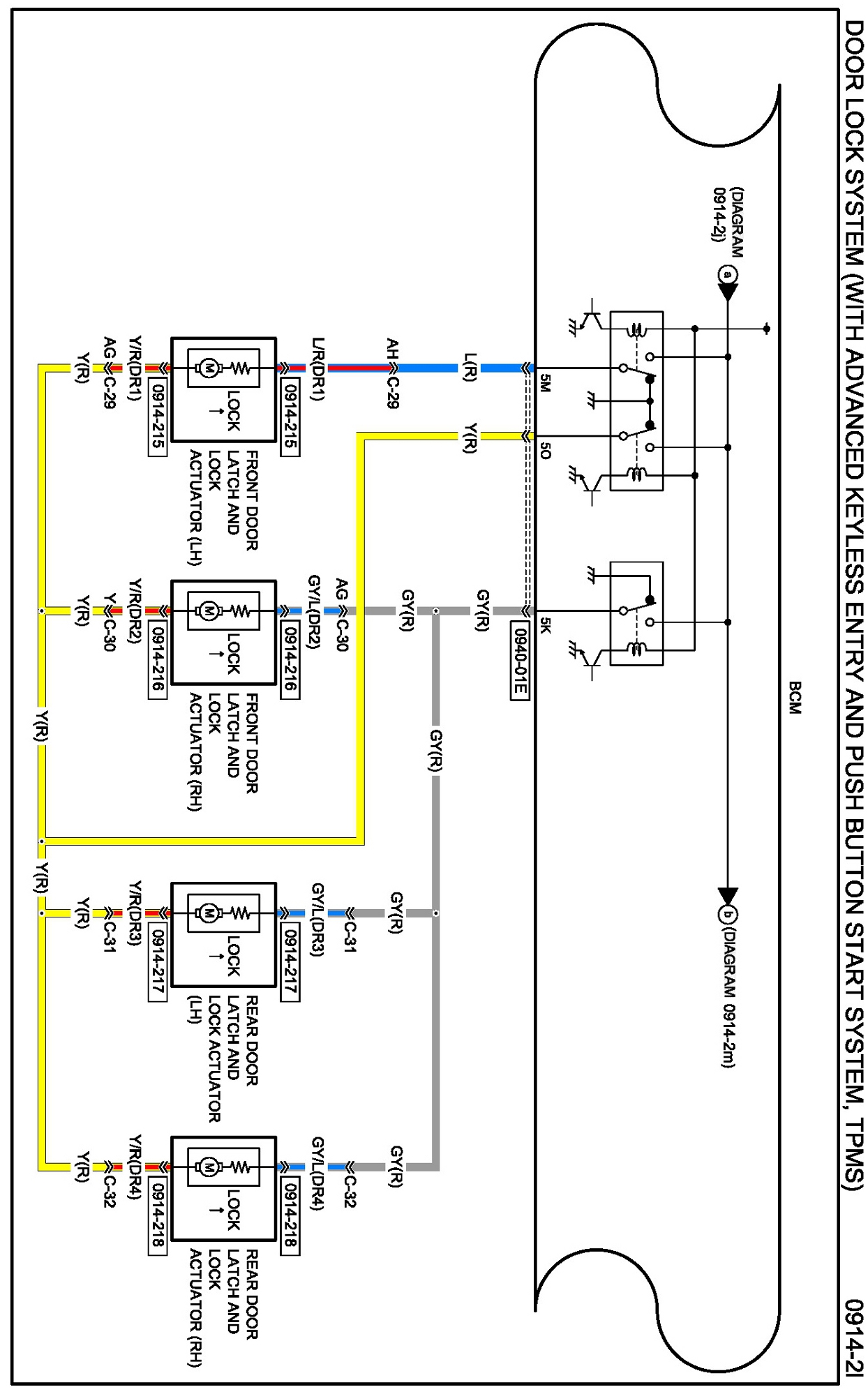
Diagram 0914-2j:




Connectors 0914-2j:




Routing View 0914-2j:






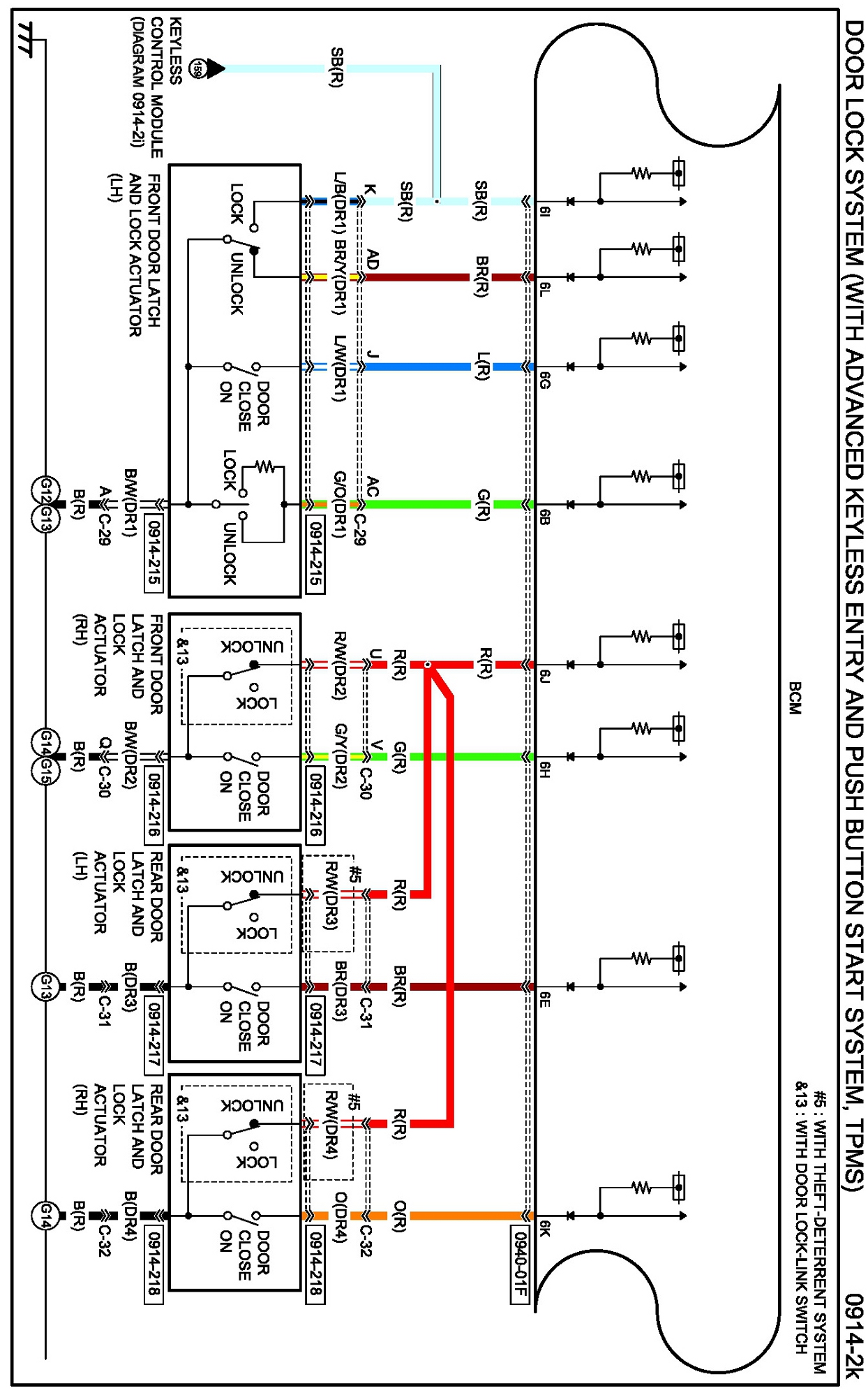
Diagram 0914-2k:




Connectors 0914-2k:




Routing View 0914-2k:






Diagram 0914-2l:




Connectors 0914-2l:




Routing View 0914-2l:






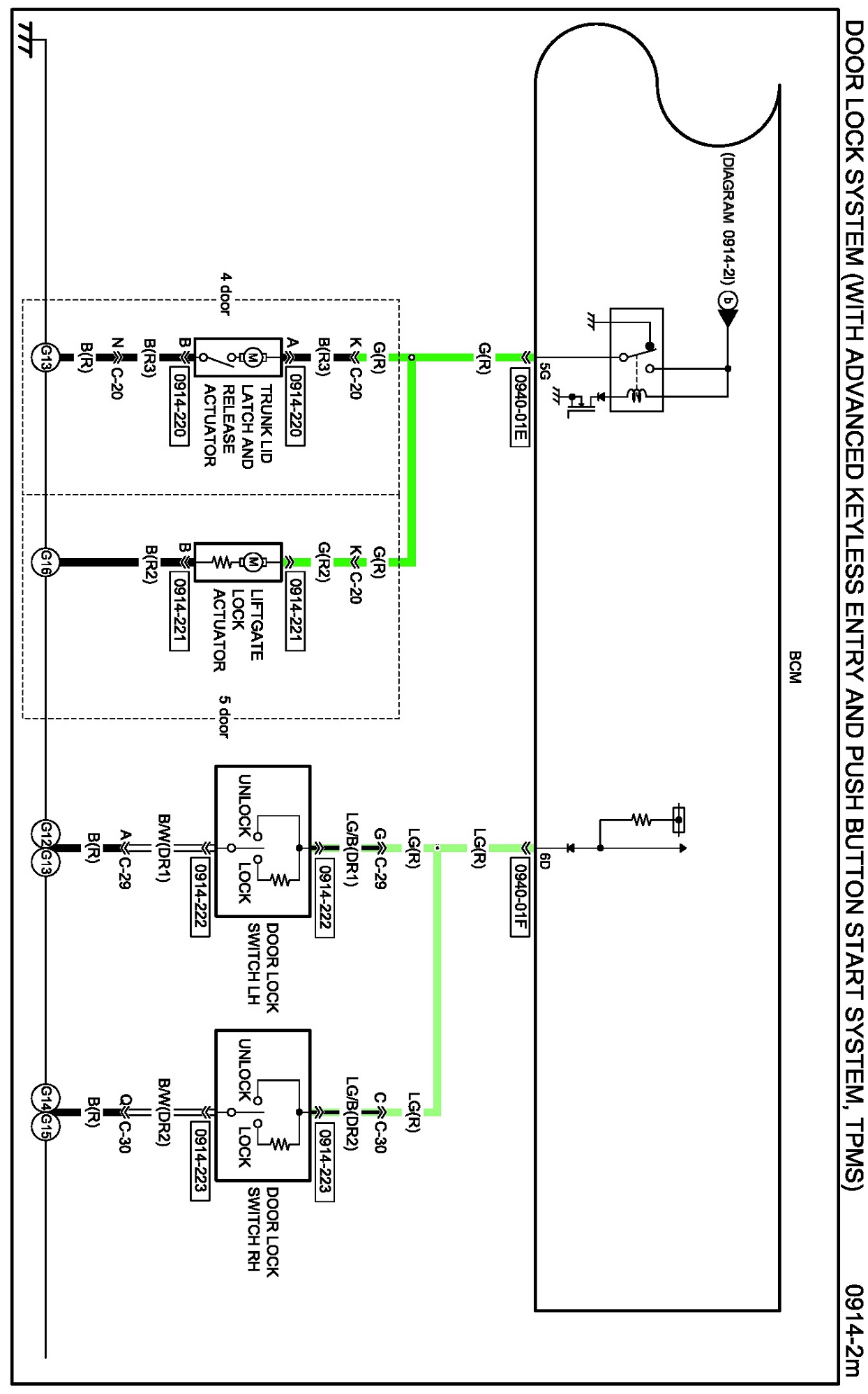
Diagram 0914-2m:




Connectors 0914-2m:




Routing View 0914-2m:






Diagrams: Other diagrams referred to by name within these diagrams can be found at Diagrams by Diagram Name. Diagrams By Diagram Name