LEMON Manuals: Even more car manuals for everyone: 1960-2025
Home >> Mazda >> 2012 >> Mazdaspeed3 L4-2.3L Turbo >> Repair and Diagnosis >> Diagrams >> Electrical Diagrams >> Power Locks >> Door Lock System (Without Advanced Keyless Entry And Push Button Start System, TPMS)
April 5, 2026: LEMON Manuals is launched! Read the announcement.

Door Lock System (Without Advanced Keyless Entry And Push Button Start System, TPMS)

Diagram 0914-1a:




Connectors 0914-1a:




Routing View 0914-1a:






Diagram 0914-1b:




Connectors 0914-1b:




Routing View 0914-1b:






Diagram 0914-1c:




Connectors 0914-1c:




Routing View 0914-1c:






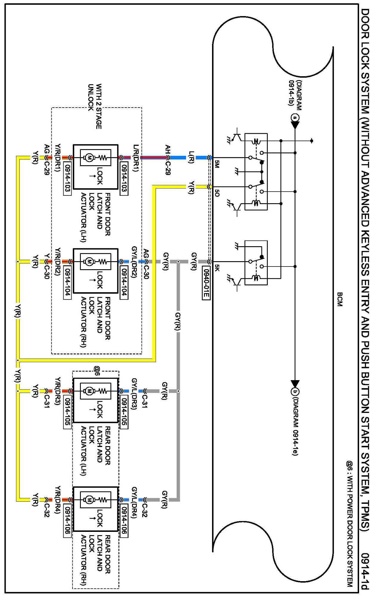
Diagram 0914-1d:




Connectors 0914-1d:




Routing View 0914-1d:






Diagram 0914-1e:




Connectors 0914-1e:




Routing View 0914-1e:






Diagrams: Other diagrams referred to by name within these diagrams can be found at Diagrams by Diagram Name. Diagrams By Diagram Name