LEMON Manuals: Even more car manuals for everyone: 1960-2025
Home >> Mazda >> 2012 >> Mazdaspeed3 L4-2.3L Turbo >> Repair and Diagnosis >> Powertrain Management >> Relays and Modules - Powertrain Management >> Relays and Modules - Computers and Control Systems >> Body Control Module >> Description and Operation
April 5, 2026: LEMON Manuals is launched! Read the announcement.

Body Control Module: Description and Operation





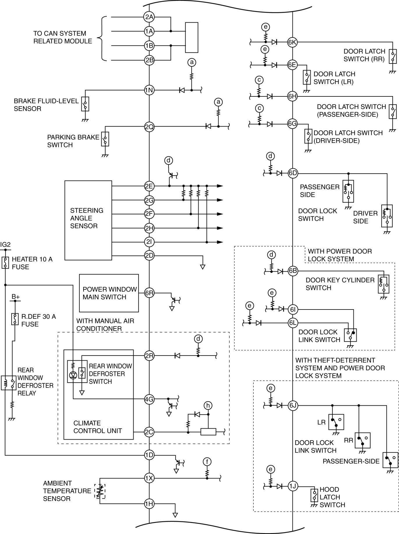
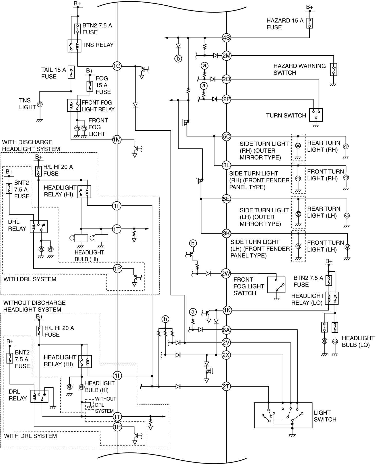
ON-BOARD DIAGNOSTIC WIRING DIAGRAM [BCM]