LEMON Manuals: Even more car manuals for everyone: 1960-2025
Home >> Mazda >> 2012 >> Mazdaspeed3 L4-2.3L Turbo >> Repair and Diagnosis >> Restraints and Safety Systems >> Testing and Inspection >> Scan Tool Testing and Procedures >> System Wiring Diagram >> Two Step Deployment Control System
April 5, 2026: LEMON Manuals is launched! Read the announcement.

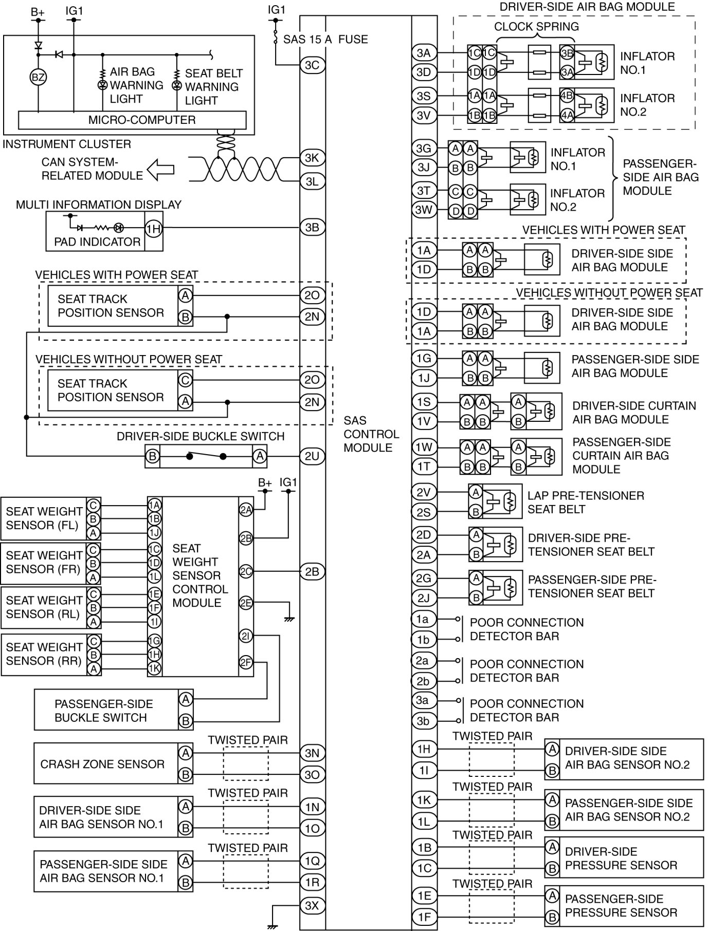
Two Step Deployment Control System





ON-BOARD DIAGNOSTIC WIRING DIAGRAM [TWO-STEP DEPLOYMENT CONTROL SYSTEM]

Vehicles With DSC









Vehicles Without DSC