LEMON Manuals: Even more car manuals for everyone: 1960-2025
Home >> Mazda >> 2013 >> 5 Sport, Standard Trans >> Repair and Diagnosis >> Engine Performance >> Engine Control Systems >> Engine Control System [MZR 2.5] >> Engine Control System Wiring Diagram
April 5, 2026: LEMON Manuals is launched! Read the announcement.

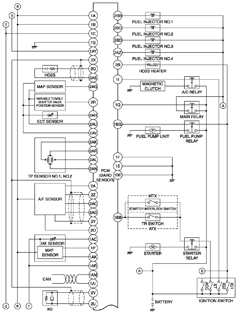
Engine Control System Wiring Diagram

Fig 1: Engine Control System Wiring Diagram (1 Of 2)
G08150311
Fig 2: Engine Control System Wiring Diagram (2 Of 2)
G08150312