LEMON Manuals: Even more car manuals for everyone: 1960-2025
Home >> Mazda >> 2013 >> 6 i Sport, Automatic Trans >> Repair and Diagnosis >> Engine Performance >> Engine Control Systems >> Engine Control System [MZR 2.5] >> Engine Control System Diagram
April 5, 2026: LEMON Manuals is launched! Read the announcement.

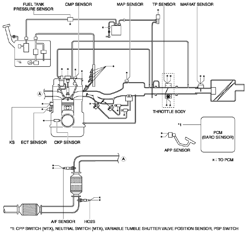
Engine Control System Diagram

Fig 1: Engine Control System Diagram (MZR 2.5)
G08140755