LEMON Manuals: Even more car manuals for everyone: 1960-2025
Home >> Mazda >> 2014 >> 3 SV, Automatic Trans >> Repair and Diagnosis >> Engine Performance >> Engine Control Systems >> Control System Wiring Diagram
April 5, 2026: LEMON Manuals is launched! Read the announcement.

Control System Wiring Diagram

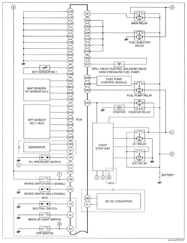
Fig 1: Control System - Wiring Diagram (SKYACTIV-G 2.0, SKYACTIV-G 2.5; 1 Of 3)
G09796865Courtesy of MAZDA MOTORS CORP.
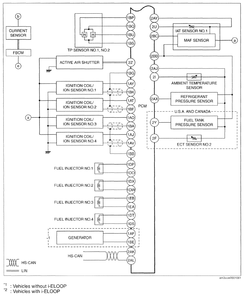
Fig 2: Control System - Wiring Diagram (SKYACTIV-G 2.0, SKYACTIV-G 2.5; 2 Of 3)
G09796866Courtesy of MAZDA MOTORS CORP.
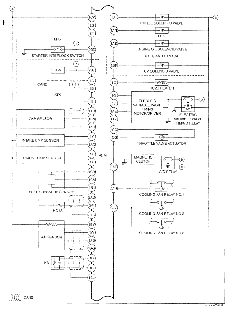
Fig 3: Control System - Wiring Diagram (SKYACTIV-G 2.0, SKYACTIV-G 2.5; 3 Of 3)
G09796867Courtesy of MAZDA MOTORS CORP.