LEMON Manuals: Even more car manuals for everyone: 1960-2025
Home >> Mazda >> 2016 >> 6 Touring, Standard Trans >> Repair and Diagnosis >> Engine Performance >> Engine Control Systems >> Control System Diagram
April 5, 2026: LEMON Manuals is launched! Read the announcement.

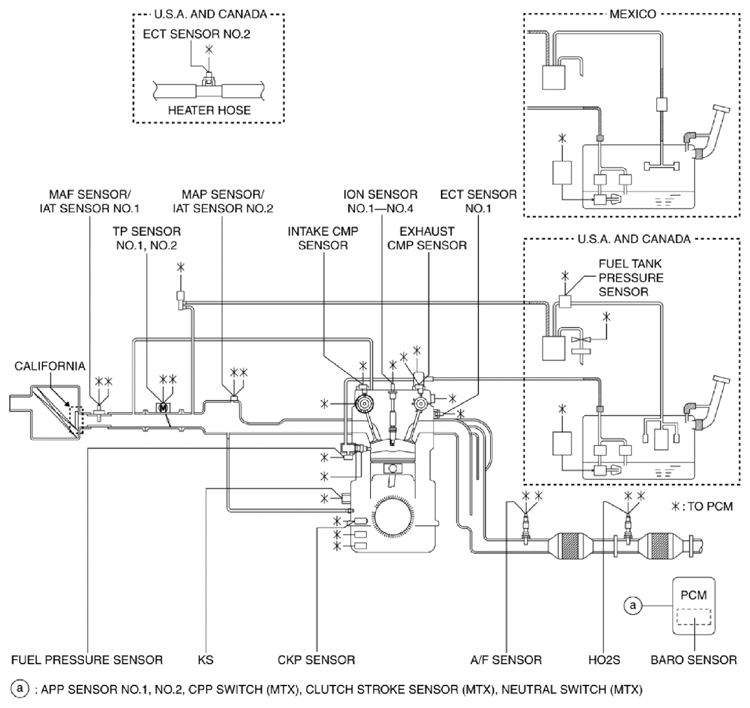
Control System Diagram

Fig 1: Control System Diagram
G10985565Courtesy of MAZDA MOTORS CORP.