LEMON Manuals: Even more car manuals for everyone: 1960-2025
Home >> Mazda >> 2017 >> 6 Touring, Automatic Trans >> Repair and Diagnosis (Single Page) >> Restraints >> Air Bag, SRS >> On-Board Diagnostic - Standard Deployment Control System >> On-Board Diagnostic Wiring Diagram [SAS Control Module (Standard Deployment Control System)]
April 5, 2026: LEMON Manuals is launched! Read the announcement.

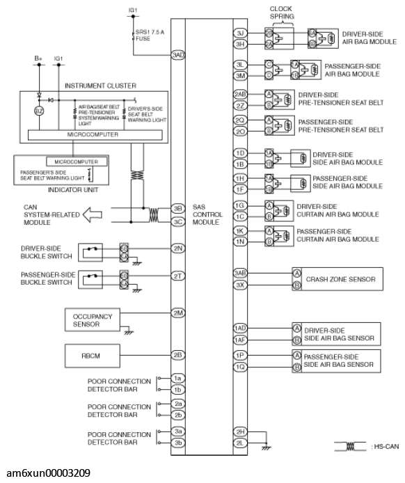
On-Board Diagnostic Wiring Diagram [SAS Control Module (Standard Deployment Control System)]

Fig 1: SAS Control Module On-Board Diagnostic Wiring Diagram
G11546091Courtesy of MAZDA MOTORS CORP.
Fig 2: Locating SAS Control Module Harness-Side Connector Terminal
G11438750Courtesy of MAZDA MOTORS CORP.