LEMON Manuals: Even more car manuals for everyone: 1960-2025
Home >> Mazda >> 2017 >> CX-3 Sport, AWD >> Repair and Diagnosis >> Engine Performance >> Engine Control Systems >> Control System Wiring Diagram
April 5, 2026: LEMON Manuals is launched! Read the announcement.

Control System Wiring Diagram

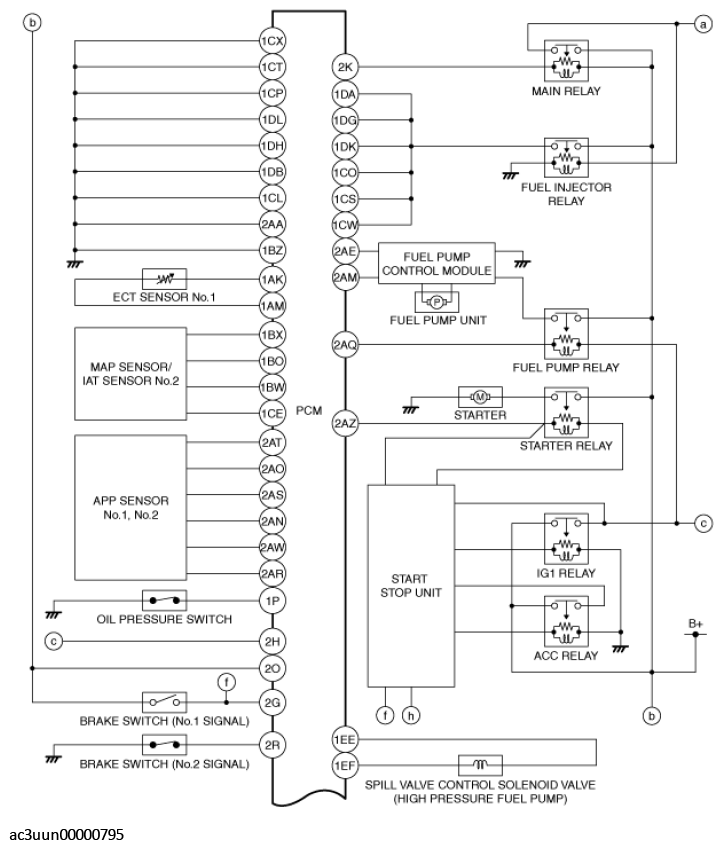
Fig 1: Control System Wiring Diagram - SKYACTIV-G 2.0 (1 Of 3)
G11435592Courtesy of MAZDA MOTORS CORP.
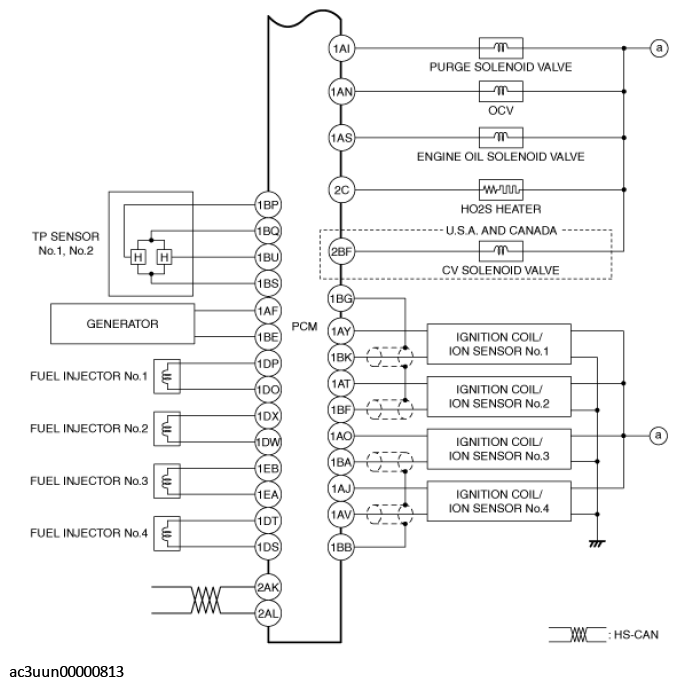
Fig 2: Control System Wiring Diagram - SKYACTIV-G 2.0 (2 Of 3)
G11435593Courtesy of MAZDA MOTORS CORP.
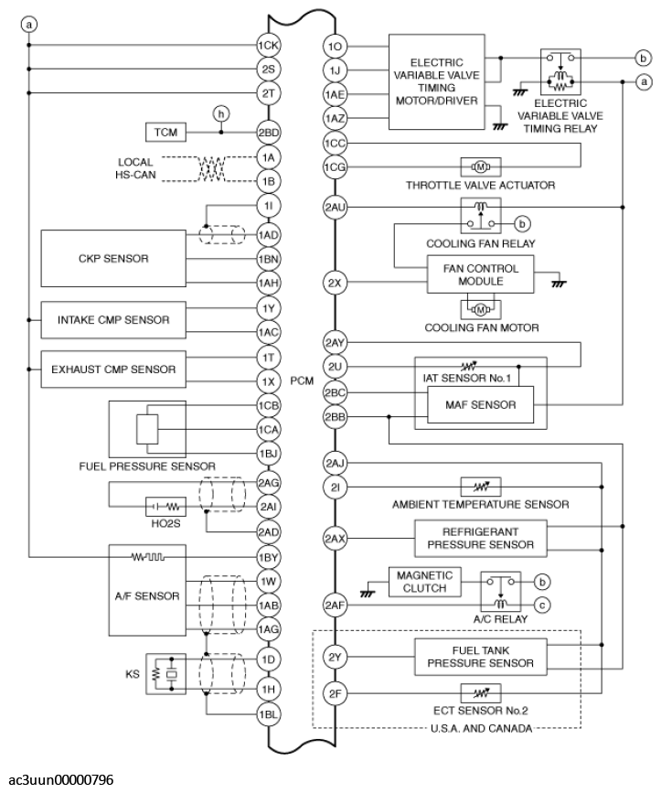
Fig 3: Control System Wiring Diagram - SKYACTIV-G 2.0 (3 Of 3)
G11435594Courtesy of MAZDA MOTORS CORP.