LEMON Manuals: Even more car manuals for everyone: 1960-2025
Home >> Mazda >> 2017 >> CX-9 Signature >> Repair and Diagnosis (Single Page) >> Accessories & Equipment >> Memory Modules >> On-Board Diagnostic - Position Memory Control Module >> On-Board Diagnostic Wiring Diagram [Position Memory Control Module]
April 5, 2026: LEMON Manuals is launched! Read the announcement.

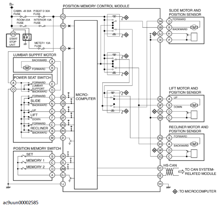
On-Board Diagnostic Wiring Diagram [Position Memory Control Module]

Fig 1: Position Memory Control Module On-Board Diagnostic Wiring Diagram
G11432254Courtesy of MAZDA MOTORS CORP.