LEMON Manuals: Even more car manuals for everyone: 1960-2025
Home >> Mazda >> 2019 >> CX-5 Sport, AWD >> Repair and Diagnosis >> Engine Performance >> Engine Control Systems >> Engine Control System (VIN M) >> Control System Diagram
April 5, 2026: LEMON Manuals is launched! Read the announcement.

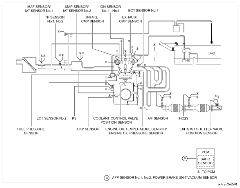
Control System Diagram

G13111258Courtesy of MAZDA MOTORS CORP.