LEMON Manuals: Even more car manuals for everyone: 1960-2025
Home >> Mazda >> 2024 >> CX-90 PHEV Premium >> Repair and Diagnosis >> External Pages >> Different car >> Section 79 (On-Board Diagnostic - Adaptive Front Lighting System Control Module) >> DTC U3003-17: Adaptive Front Lighting System (AFS) Control Module High Power Supply Voltage Input [Adaptive Front Lighting System (AFS) Control Module (Us)]
April 5, 2026: LEMON Manuals is launched! Read the announcement.

DTC U3003-17: Adaptive Front Lighting System (AFS) Control Module High Power Supply Voltage Input [Adaptive Front Lighting System (AFS) Control Module (Us)]

WARNING: This page is about a different car, the 2024 Mazda CX-30. However, it is still accessible from the selected car via links, so may be relevant.
U3003: 17 (ALH/AFS/ALV) DETECTION CONDITION AND POSSIBLE CAUSE

System malfunction location Auto leveling control module/adaptive front lighting system (AFS) control module/adaptive LED headlights control module high power supply voltage input
Detection condition
  • The auto leveling control module/adaptive front lighting system (AFS) control module/adaptive LED headlights control module power supply circuit voltage is the standard or more.
Fail-safe
  • The headlight leveling actuator is stopped at the position when the malfunction is determined.
Possible cause
  1. DTCs are stored in the following modules.
  2. Battery/lead-acid battery malfunction (Refer to applicable BATTERY INSPECTION in the service information.)
  3. Generator malfunction (except e-SKYACTIV PHEV/e-SKYACTIV EV/Mazda M Hybrid) (Refer to applicable GENERATOR INSPECTION (VIN Y) and/or GENERATOR INSPECTION (VIN M) in the service information.)
  4. Malfunction in wiring harness (including connector/terminal) between auto leveling control module/adaptive front lighting system (AFS) control module/adaptive LED headlights control module and body ground (see CIRCUIT INSPECTION .) (see CONNECTOR INSPECTION .)
  5. Auto leveling control module/adaptive front lighting system (AFS) control module/adaptive LED headlights control module malfunction (Refer to applicable ADAPTIVE FRONT LIGHTING SYSTEM (AFS) CONTROL MODULE REMOVAL/INSTALLATION in the service information.)
Repeatability verification procedure
  1. Clear the DTC recorded in the memory. (see CLEARING DTC .)
  2. Switch the ignition ON (engine off or on)/main power ON (READY off or on) and wait for 10 s or more.
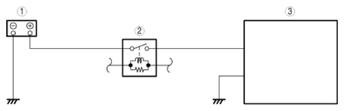
G16371681Courtesy of MAZDA MOTORS CORP.
1 Battery/lead-acid battery
2 IG1 relay No. 2
3 Auto leveling control module/adaptive front lighting system (AFS) control module/adaptive LED headlights control module