LEMON Manuals: Even more car manuals for everyone: 1960-2025
Home >> Mazda >> 2024 >> MX-5 Miata Sport >> Repair and Diagnosis >> Engine Performance >> Engine Control Systems >> Engine Control System >> Control System Diagram
April 5, 2026: LEMON Manuals is launched! Read the announcement.

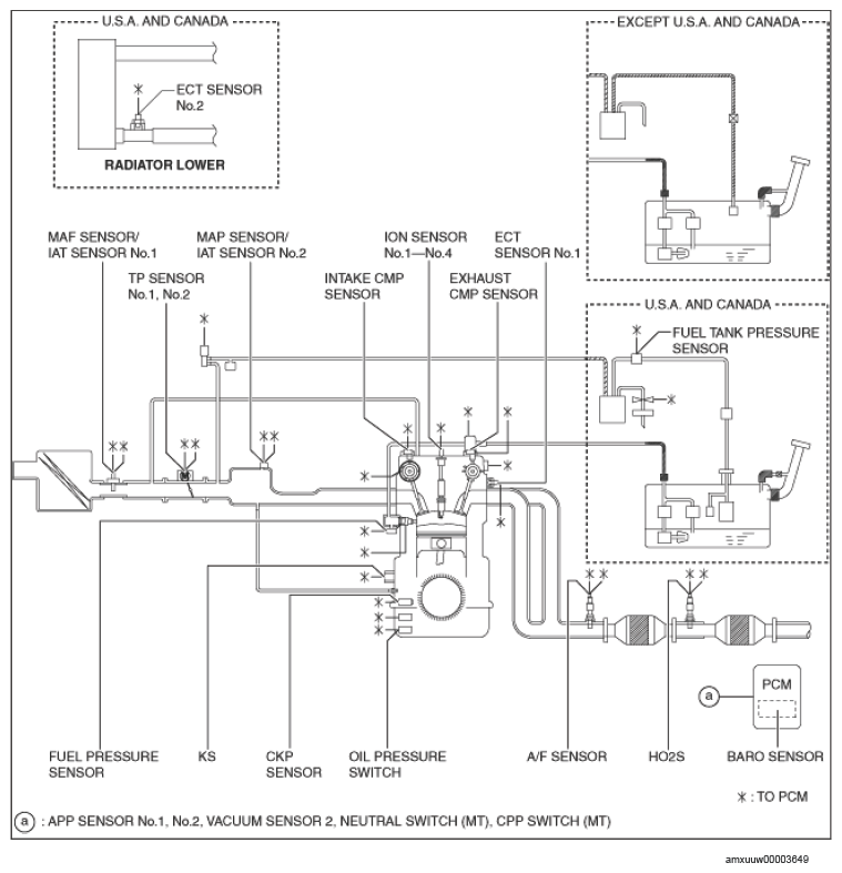
Control System Diagram

G14588463Courtesy of MAZDA MOTORS CORP.