LEMON Manuals: Even more car manuals for everyone: 1960-2025
Home >> Mitsubishi >> 1987 >> Starion ESI-R >> Repair and Diagnosis >> Engine Performance >> System >> ECI CEC System >> Wiring Diagrams
April 5, 2026: LEMON Manuals is launched! Read the announcement.

Wiring Diagrams

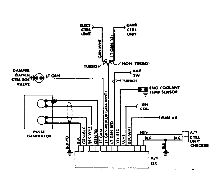
Fig 1: Wiring Diagram for Mirage
G61432
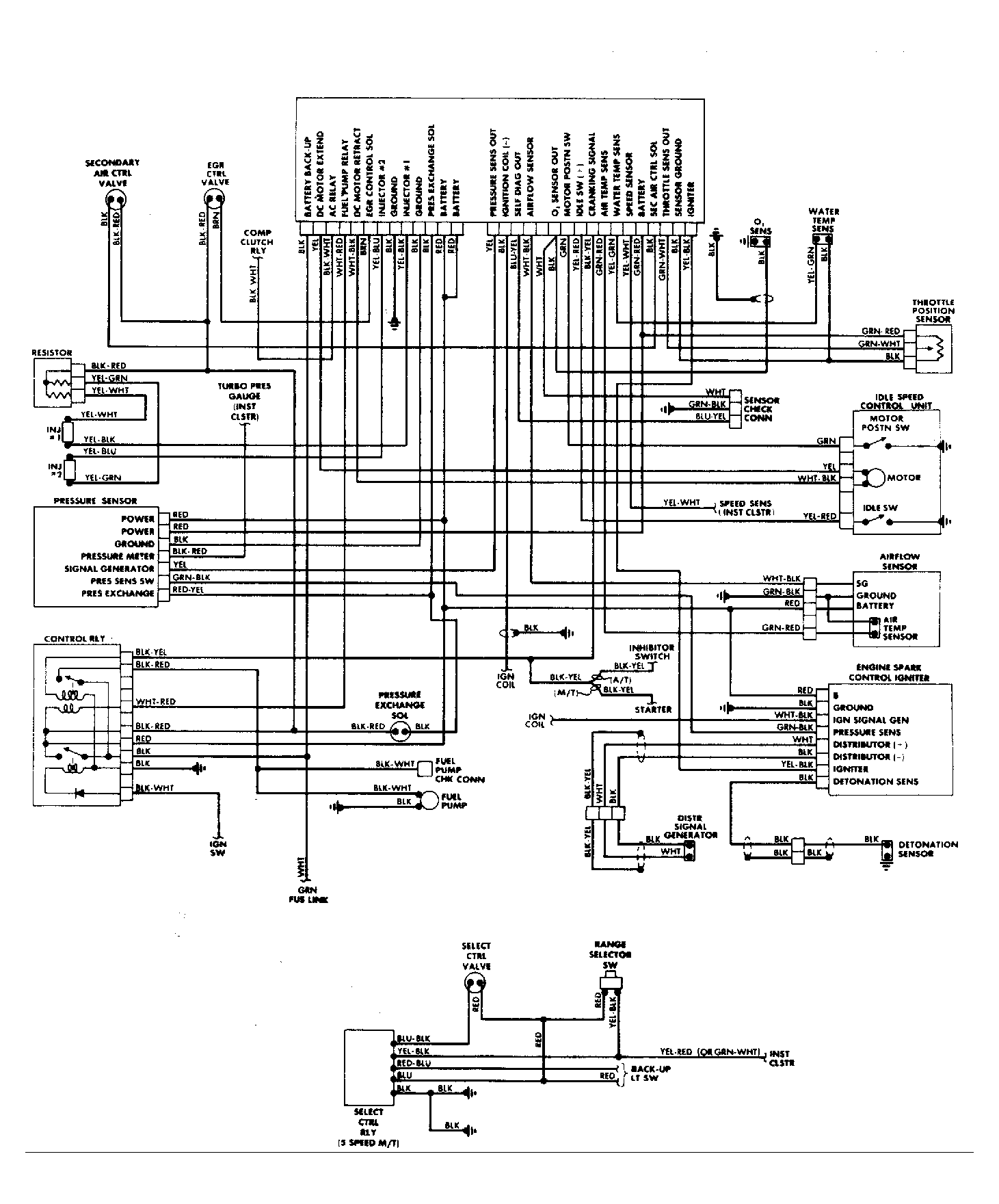
Fig 2: Wiring Diagram for Starion
G61411
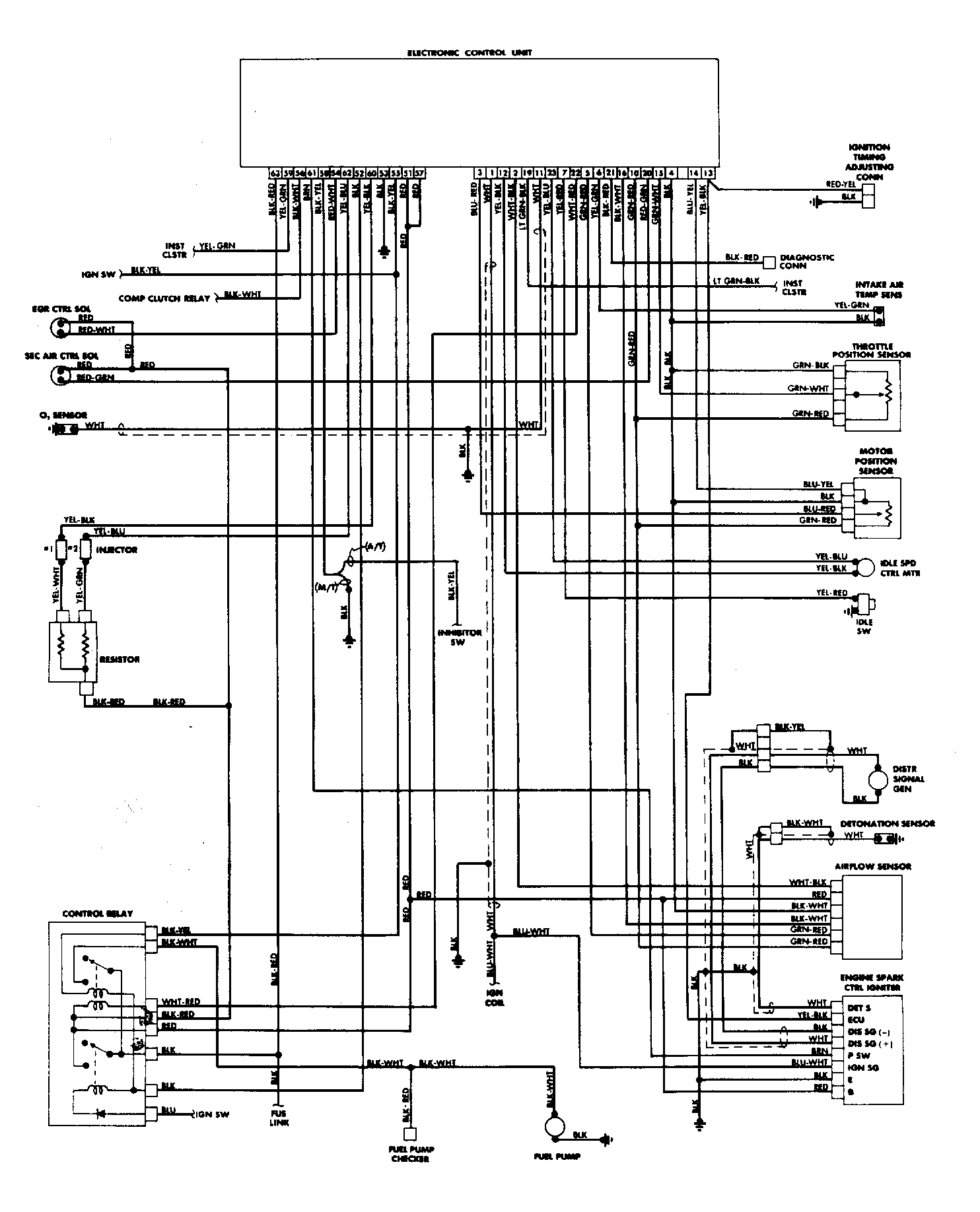
Fig 3: Wiring Diagram for Cordia & Tredia
G61412