LEMON Manuals: Even more car manuals for everyone: 1960-2025
Home >> Mitsubishi >> 1987 >> Starion ESI-R >> Repair and Diagnosis >> Engine Performance >> System >> Fuel Injection System - MITSUBISHI ECI >> Wiring Diagrams
April 5, 2026: LEMON Manuals is launched! Read the announcement.

Wiring Diagrams

Fig 1: ECI Wiring Diagram (Mirage)
G61410Courtesy of MITSUBISHI MOTOR SALES OF AMERICA.
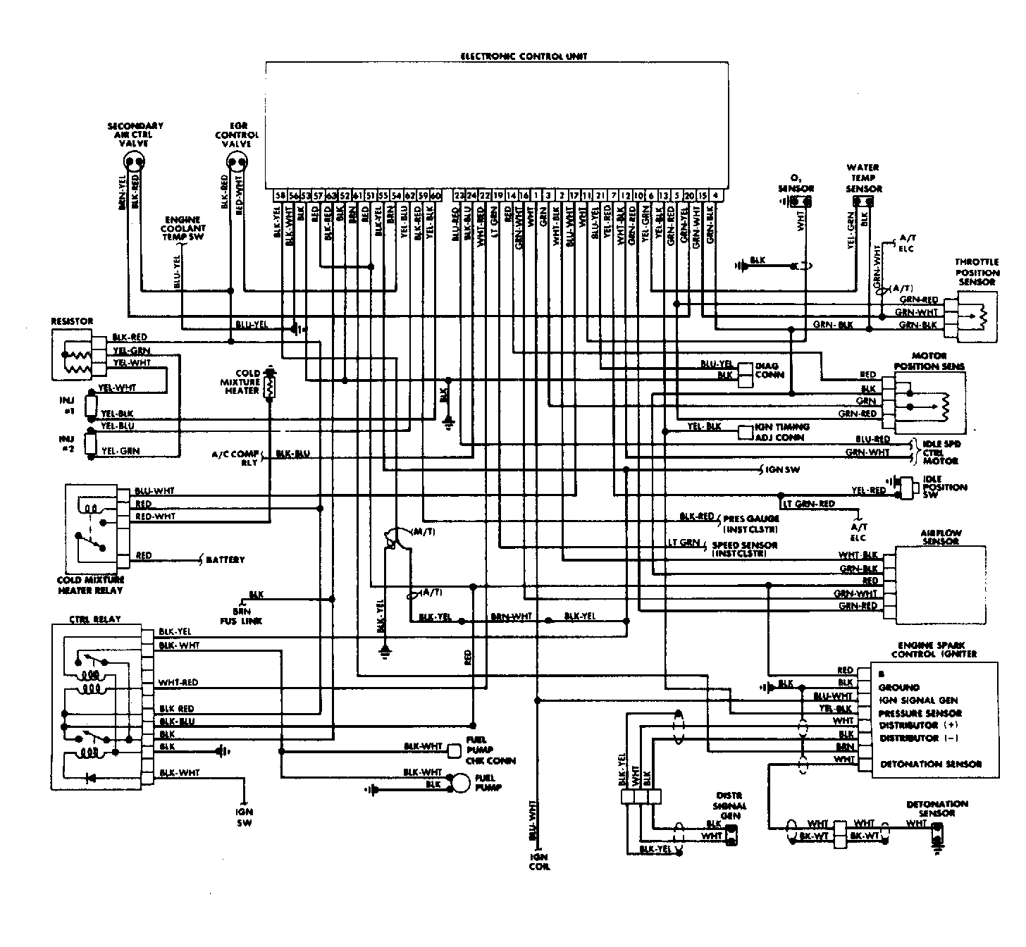
Fig 2: ECI Wiring Diagram (Starion)
G61411Courtesy of MITSUBISHI MOTOR SALES OF AMERICA.
Fig 3: ECI Wiring Diagram (Cordia & Tredia)
G61412Courtesy of MITSUBISHI MOTOR SALES OF AMERICA.