LEMON Manuals: Even more car manuals for everyone: 1960-2025
Home >> Mitsubishi >> 1988 >> Starion ESI-R, Automatic >> Repair and Diagnosis >> Engine Performance >> System >> ECI CEC System >> Wiring Diagrams
April 5, 2026: LEMON Manuals is launched! Read the announcement.

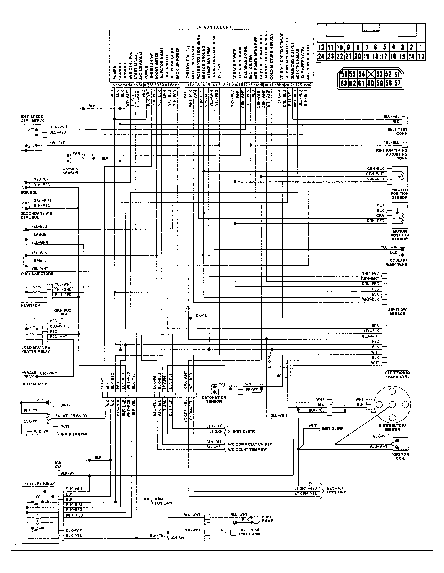
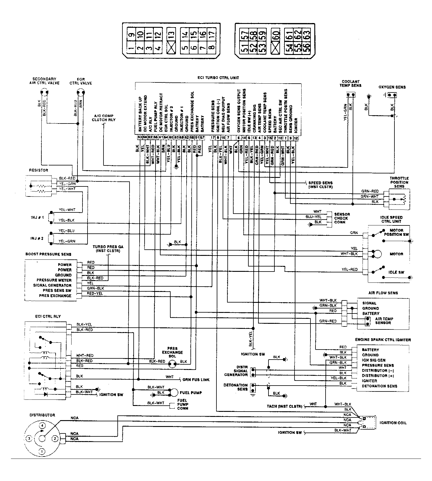
Wiring Diagrams

Fig 1: Wiring Diagram for Starion
G94406
Fig 2: Wiring Diagram for Cordia & Tredia
G94407
Fig 3: Wiring Diagram for Mirage
G94408