LEMON Manuals: Even more car manuals for everyone: 1960-2025
Home >> Mitsubishi >> 1990 >> Galant Base, Standard >> Repair and Diagnosis >> Body & Frame >> Power Windows >> Component Testing >> Power Windows Circuit >> Test No. 3: Power Window Relay Activation Circuit
April 5, 2026: LEMON Manuals is launched! Read the announcement.

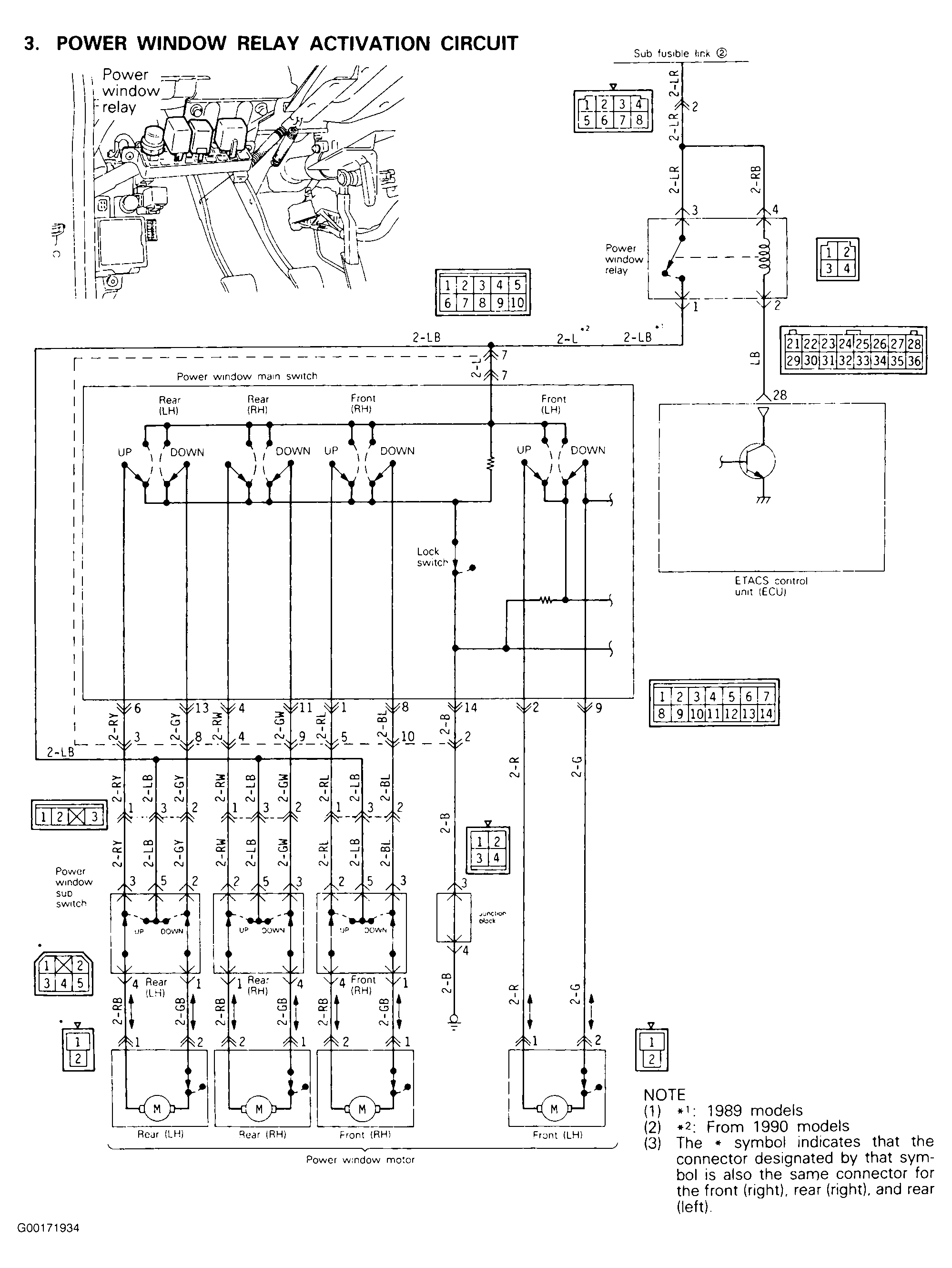
Test No. 3: Power Window Relay Activation Circuit

When the ignition switch is switched to the ON position, and also for a period of 30 seconds after the ignition switch is switched to the OFF position, the transistor of the electronic control unit is switched ON, and battery voltage is supplied from the battery (through sub fusible link No. 2) to the power-window relay. In addition, voltage is supplied (through sub-fusible link No. 2) to the power window switch and motor as a result of the switch ON of the power window relay. See Fig 1 and Fig 2 .

Fig 1: Test No. 3: Power Window Relay Activation Circuit Wiring Diagram
G00171934Courtesy of MITSUBISHI MOTOR SALES OF AMERICA.
Fig 2: Test No. 3 Terminal Voltage Chart
G00171936Courtesy of MITSUBISHI MOTOR SALES OF AMERICA.