LEMON Manuals: Even more car manuals for everyone: 1960-2025
Home >> Mitsubishi >> 1990 >> Sigma >> Repair and Diagnosis >> Engine Performance >> System >> Engine Controls - Tests W/Codes >> Code Charts - 2.4L >> NS-1: Testing Ignition Circuit
April 5, 2026: LEMON Manuals is launched! Read the announcement.

NS-1: Testing Ignition Circuit

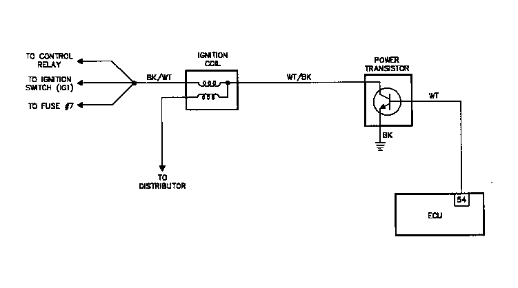
Fig 1: Circuit Diagram NS-1 (2.4L)
G90B19977
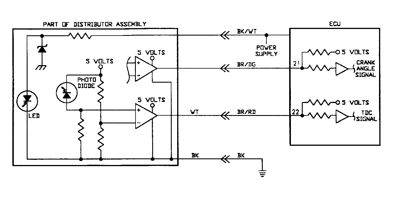
Fig 2: Circuit Diagram NS-1 (2.4L)
G90C19978
Fig 3: Circuit Diagram NS-1 (2.4L)
G90D19979
Fig 4: Flow Chart NS-1 (2.4L) (1 of 6)
G90H20005
Fig 5: Flow Chart NS-1 (2.4L) (2 of 6)
G90I20006
Fig 6: Flow Chart NS-1 (2.4L) (3 of 6)
G90J20007
Fig 7: Flow Chart NS-1 (2.4L) (4 of 6)
G90A20008
Fig 8: Flow Chart NS-1 (2.4L) (5 of 6)
G90B20009
Fig 9: Flow Chart NS-1 (2.4L) (6 of 6)
G90E20010