LEMON Manuals: Even more car manuals for everyone: 1960-2025
Home >> Mitsubishi >> 1991 >> Eclipse Base, Automatic >> Repair and Diagnosis >> Engine Performance >> System >> Engine Controls - Tests W/Codes >> Test Charts - 1.6L >> Dr-11: Code 25 Barometric Pressure Sensor Circuit
April 5, 2026: LEMON Manuals is launched! Read the announcement.

Dr-11: Code 25 Barometric Pressure Sensor Circuit

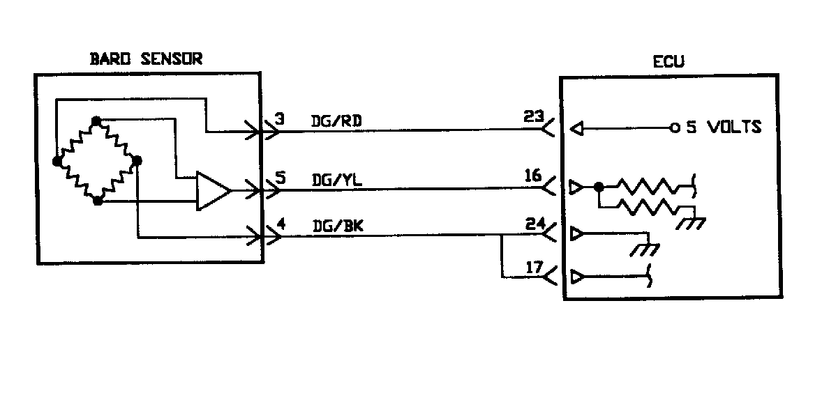
Fig 1: Circuit Diagram DR-11 (1.6L)
G90D15423
Fig 2: Flow Chart DR-11 (1.6L) (1 of 2)
G90F19948
Fig 3: Flow Chart DR-11 (1.6L) (2 of 2)
G90G19949