LEMON Manuals: Even more car manuals for everyone: 1960-2025
Home >> Mitsubishi >> 1991 >> Eclipse Base, Standard >> Repair and Diagnosis >> Engine Performance >> System >> Engine Controls - Tests W/Codes - 1.8L >> Code Charts >> Dr-7A: Testing Engine Coolant Temperature Sensor
April 5, 2026: LEMON Manuals is launched! Read the announcement.

Dr-7A: Testing Engine Coolant Temperature Sensor

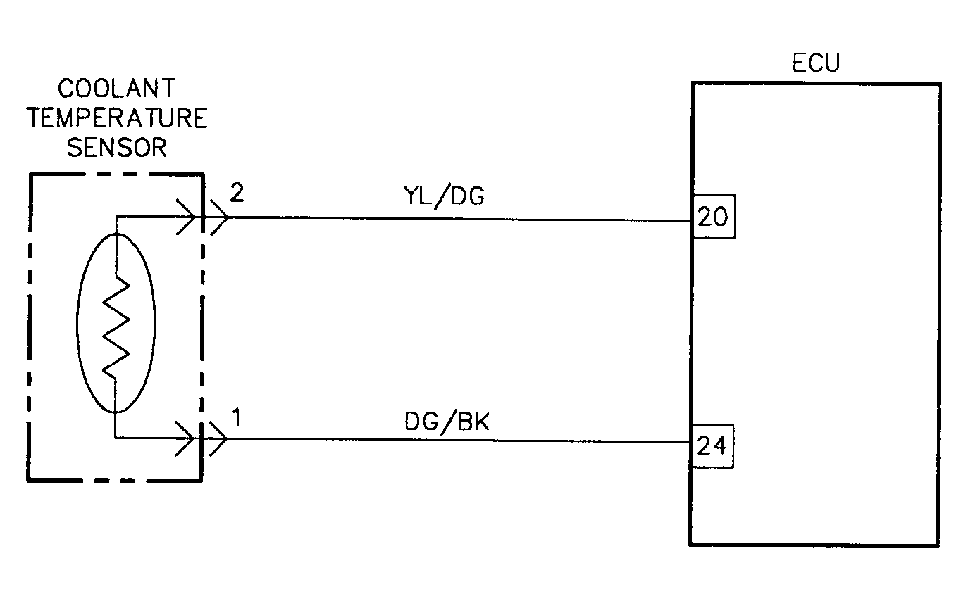
Fig 1: Driveability Test DR-7A: Circuit Diagram
G91J10701
Fig 2: Driveability Test DR-7A: Diagnostic Flow Chart (1 of 2)
G91H10733
Fig 3: Driveability Test DR-7A: Diagnostic Flow Chart (2 of 2)
G91I10734