LEMON Manuals: Even more car manuals for everyone: 1960-2025
Home >> Mitsubishi >> 1991 >> Eclipse Base, Standard >> Repair and Diagnosis >> Engine Performance >> System >> Engine Controls - Tests W/Codes >> Test Charts - 1.6L >> Dr-10: Code 24 Vehicle Speed Sensor Circuit
April 5, 2026: LEMON Manuals is launched! Read the announcement.

Dr-10: Code 24 Vehicle Speed Sensor Circuit

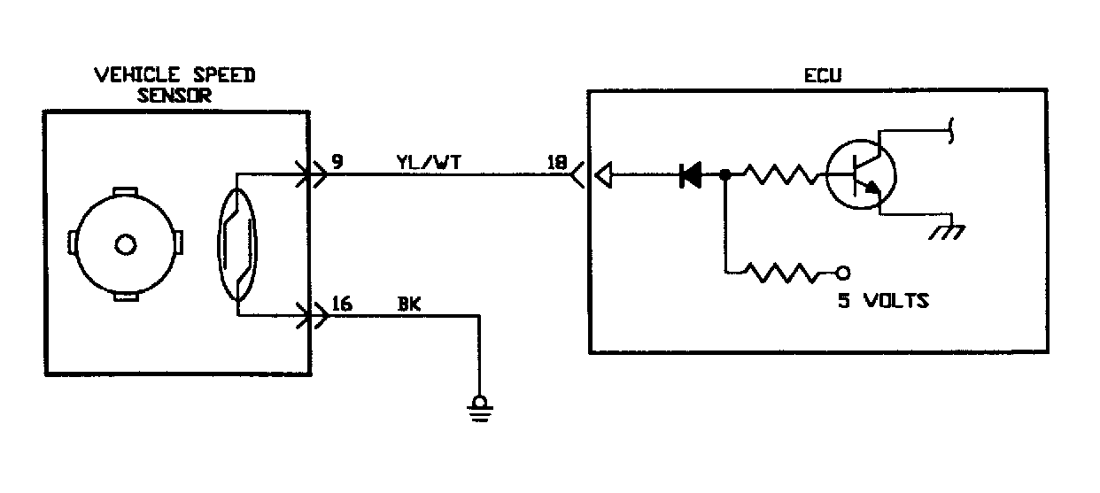
Fig 1: Circuit Diagram DR-10 (1.6L)
G90A15412
Fig 2: Flow Chart DR-10 (1.6L) (1 of 2)
G90D19946
Fig 3: Flow Chart DR-10 (1.6L) (2 of 2)
G90E19947