LEMON Manuals: Even more car manuals for everyone: 1960-2025
Home >> Mitsubishi >> 1991 >> Eclipse Base, Standard >> Repair and Diagnosis >> Engine Performance >> System >> Engine Controls - Tests W/Codes >> Test Charts - 1.8L >> NS-3: Code 42 Fuel Pump Circuit
April 5, 2026: LEMON Manuals is launched! Read the announcement.

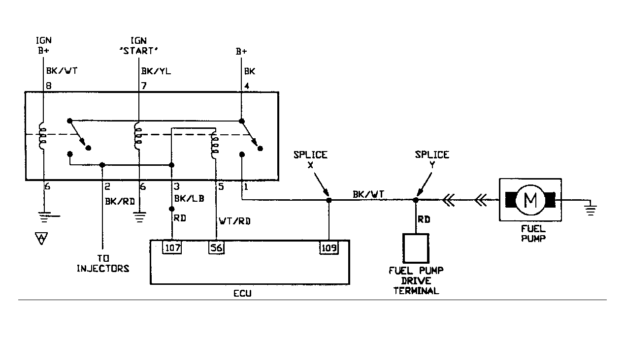
NS-3: Code 42 Fuel Pump Circuit

Fig 1: Circuit Diagram NS-3 (1.8L)
G90I20139
Fig 2: Flow Chart NS-3 (1.8L)
G90G02083