LEMON Manuals: Even more car manuals for everyone: 1960-2025
Home >> Mitsubishi >> 1991 >> Montero Base >> Repair and Diagnosis >> Engine Performance >> System >> Engine Controls - Self-Diagnostics >> Diagnostic Tests >> Fuel Pump >> Control Relay Inspection
April 5, 2026: LEMON Manuals is launched! Read the announcement.

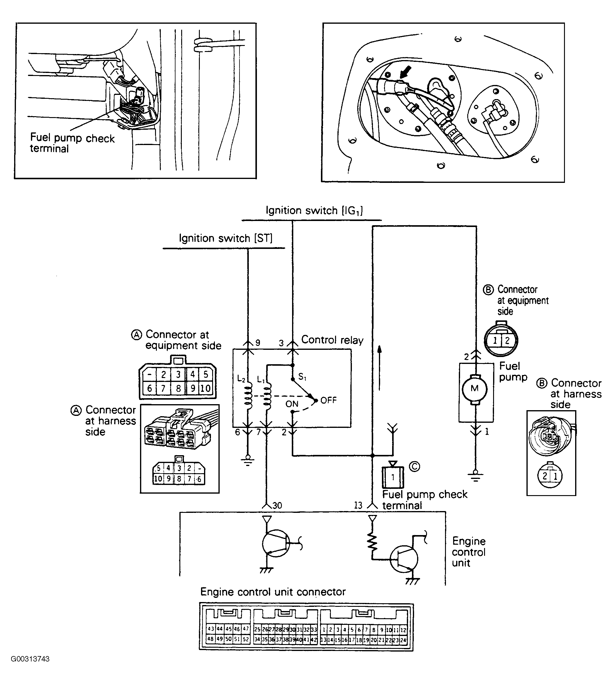
Control Relay Inspection

For control relay inspection, see Figure . For component locations and connector terminal identification, see Figure .