LEMON Manuals: Even more car manuals for everyone: 1960-2025
Home >> Mitsubishi >> 1992 >> 3000GT Base, Standard >> Repair and Diagnosis >> Engine Performance >> System >> Engine Controls - Tests W/Codes >> Code Charts - SOHC >> Dr-14: Code 43, EGR Temperature Sensor Circuit
April 5, 2026: LEMON Manuals is launched! Read the announcement.

Dr-14: Code 43, EGR Temperature Sensor Circuit

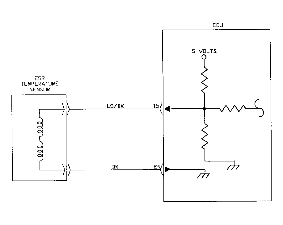
Fig 1: Test DR-14 Schematic - Code 43 - SOHC (1 Of 2) EGR Temperature Sensor Circuit
G92I26292
Fig 2: Test DR-14 Schematic - Code 43 - SOHC (2 Of 2) EGR Temperature Sensor Circuit
G92A26294
Fig 3: Test DR-14 Flow Chart - Code 43 - SOHC (1 Of 3) EGR Temperature Sensor Circuit
G92J26293
Fig 4: Test DR-14 Flow Chart - Code 43 - SOHC (2 Of 3) EGR Temperature Sensor Circuit
G92B26295
Fig 5: Test DR-14 Flow Chart - Code 43 - SOHC (3 Of 3) EGR Temperature Sensor Circuit
G92C26296