LEMON Manuals: Even more car manuals for everyone: 1960-2025
Home >> Mitsubishi >> 1992 >> Montero Base, Standard >> Repair and Diagnosis >> Engine Performance >> System >> Engine Controls - Tests W/Codes >> Code Charts - 2.4L >> Dr-8: Code 21, Coolant Temperature Sensor
April 5, 2026: LEMON Manuals is launched! Read the announcement.

Dr-8: Code 21, Coolant Temperature Sensor

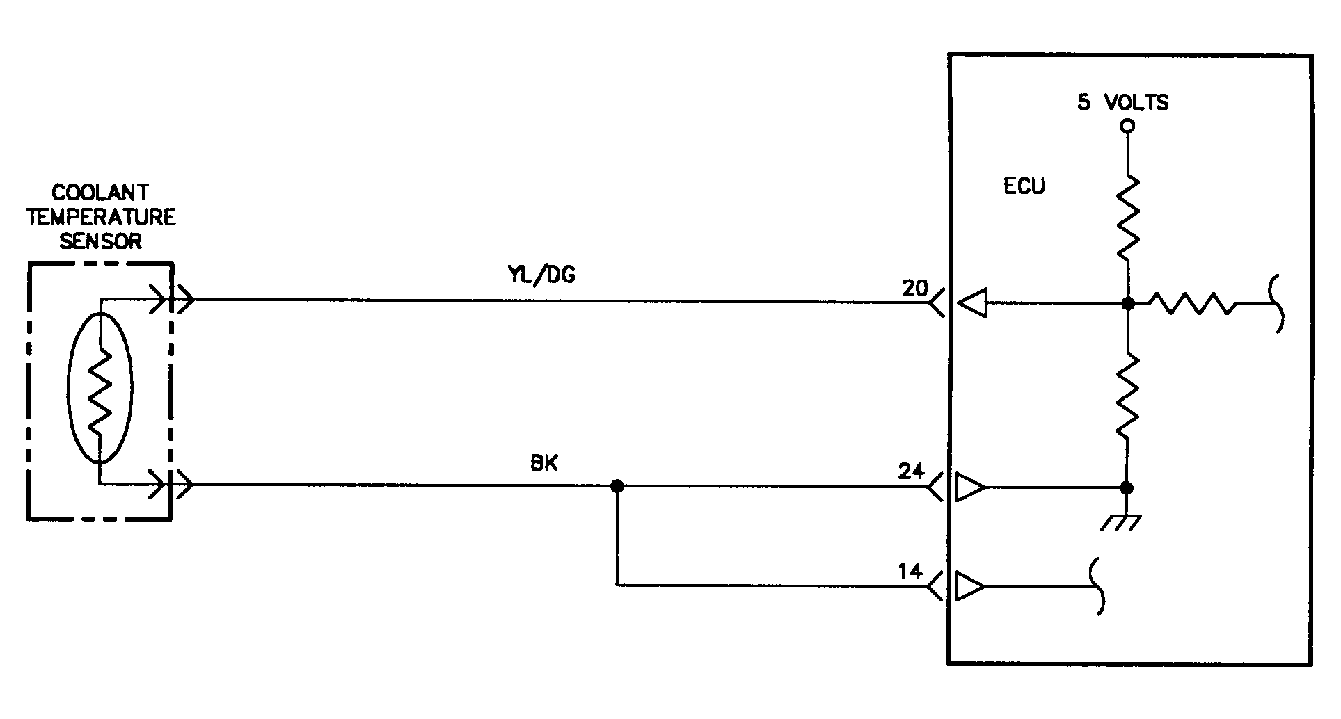
Fig 1: Test DR-8 Code 21 Schematic - 2.4L (1 of 2) Coolant Temperature Sensor
G90I19990
Fig 2: Test DR-8 Code 21 Schematic - 2.4L (2 of 2) Coolant Temperature Sensor
G90J19991
Fig 3: Test DR-8 Code 21 Flow Chart - 2.4L (1 of 2) Coolant Temperature Sensor
G90D20035
Fig 4: Test DR-8 Code 21 Flow Chart - 2.4L (2 of 2) Coolant Temperature Sensor
G90E20036