LEMON Manuals: Even more car manuals for everyone: 1960-2025
Home >> Mitsubishi >> 1992 >> Montero Base, Standard >> Repair and Diagnosis >> Engine Performance >> System >> Engine Controls - Tests W/Codes >> Code Charts - 2.4L >> Dr-9: Code 22, Crank Angle Sensor Circuit
April 5, 2026: LEMON Manuals is launched! Read the announcement.

Dr-9: Code 22, Crank Angle Sensor Circuit

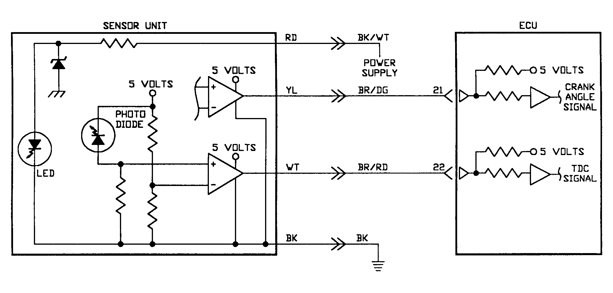
Fig 1: Test DR-9 Code 22 Schematic - 2.4L Crank Angle Sensor Circuit
G90A19992
Fig 2: Test DR-9 Code 22 Flow Chart - 2.4L Crank Angle Sensor Circuit
G90F20037