LEMON Manuals: Even more car manuals for everyone: 1960-2025
Home >> Mitsubishi >> 2000 >> FG639 L4-3.9L DSL Turbo >> Repair and Diagnosis >> Powertrain Management >> Computers and Control Systems >> Coolant Temperature Sensor/Switch (For Computer) >> Diagrams
April 5, 2026: LEMON Manuals is launched! Read the announcement.

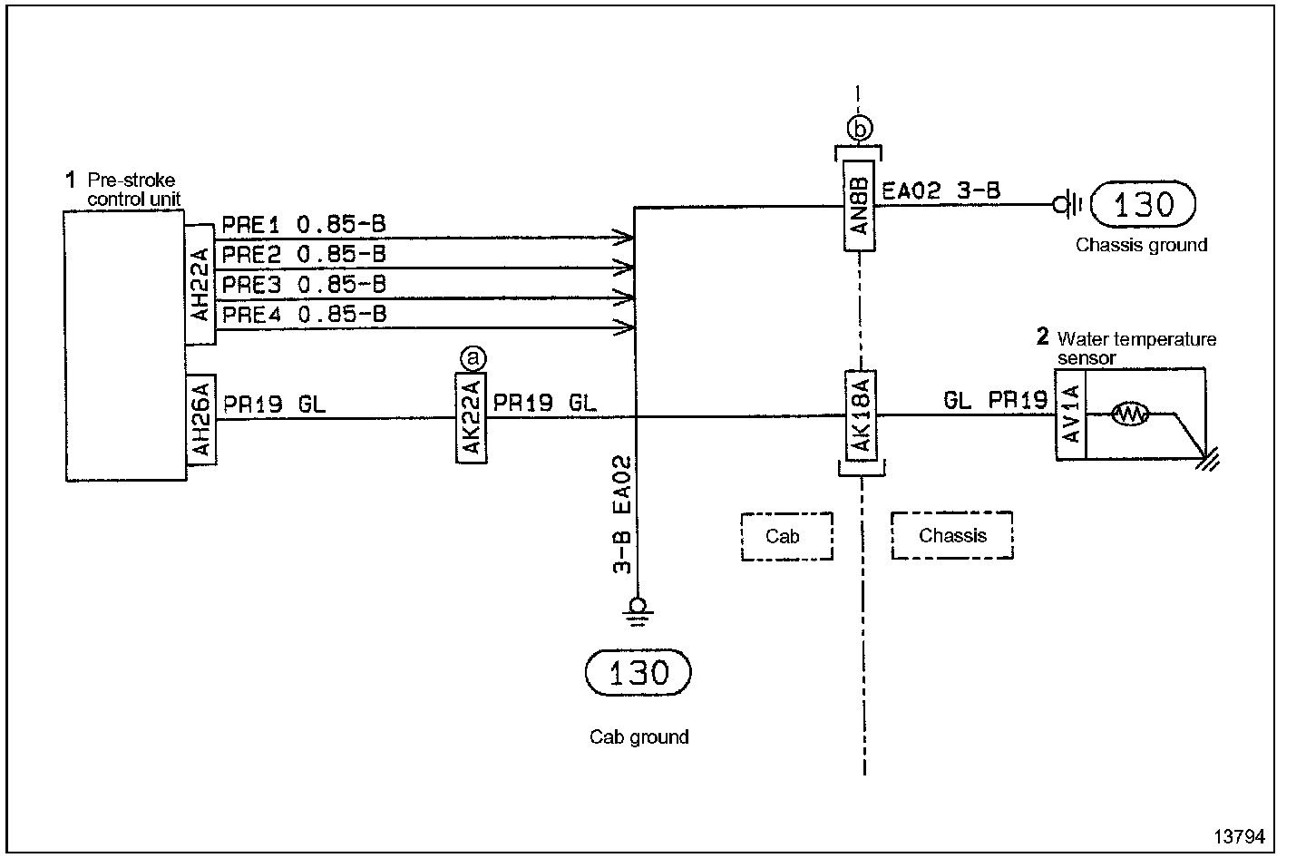
Coolant Temperature Sensor/Switch (For Computer): Diagrams