LEMON Manuals: Even more car manuals for everyone: 1960-2025
Home >> Mitsubishi >> 2003 >> Lancer ES, Automatic >> Repair and Diagnosis >> External Pages >> Different car >> Section 249 (Anti-Lock Brake System & Traction Control System - Abs/TCS) >> General Information >> Hydraulic Circuit
April 5, 2026: LEMON Manuals is launched! Read the announcement.

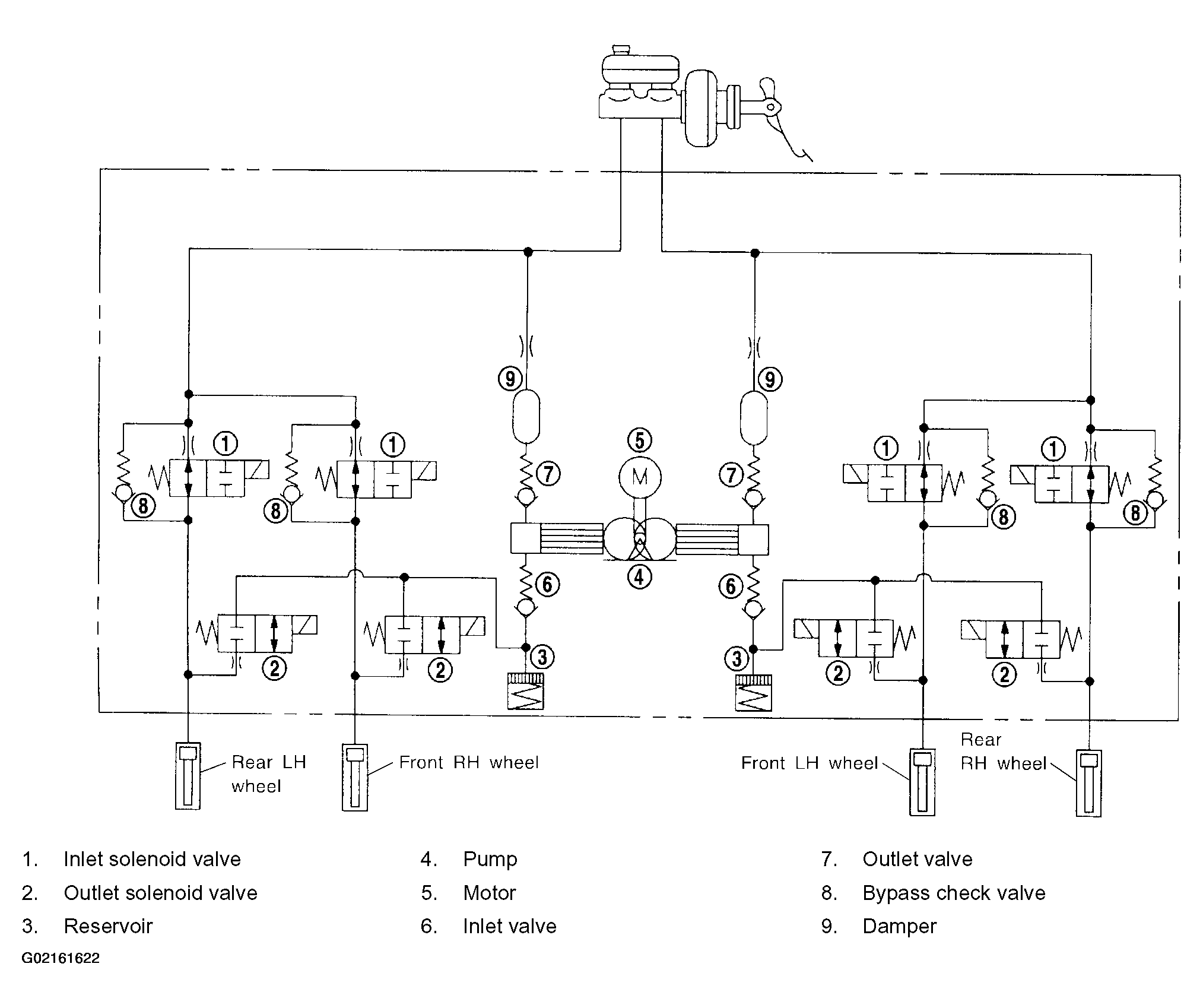
Hydraulic Circuit

WARNING: This page is about a different car, the 2003 Nissan Altima. However, it is still accessible from the selected car via links, so may be relevant.
Fig 1: Hydraulic Circuit Diagram
G02161622Courtesy of NISSAN MOTOR CO., U.S.A.