LEMON Manuals: Even more car manuals for everyone: 1960-2025
Home >> Mitsubishi >> 2003 >> Lancer Evolution >> Repair and Diagnosis (Single Page) >> Accessories & Equipment >> Communication Devices >> Simplified Wiring System (SWS) - Lancer Evolution >> Symptom Procedures >> Keyless Entry System >> General Circuit Diagram For The Keyless Entry System
April 5, 2026: LEMON Manuals is launched! Read the announcement.

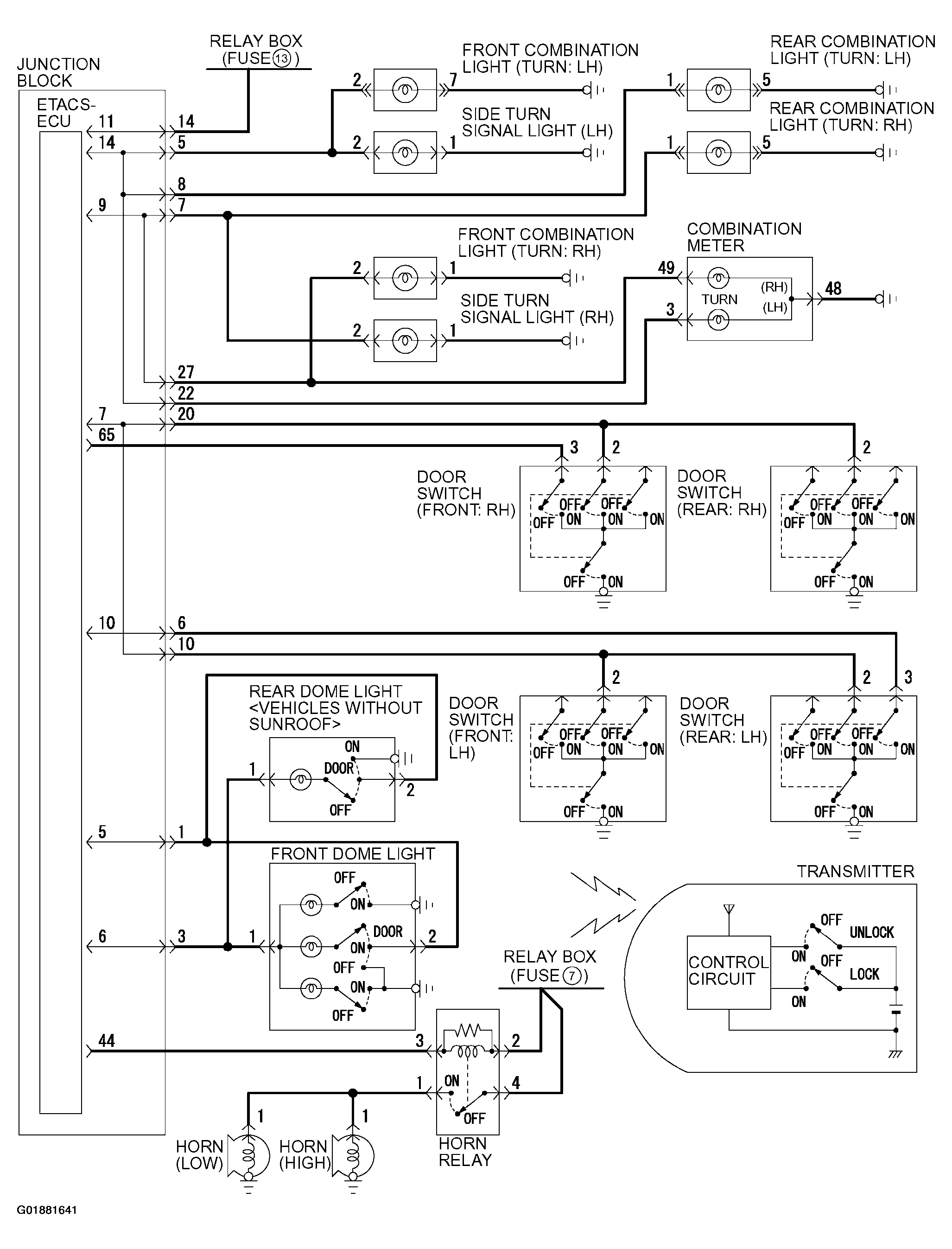
General Circuit Diagram For The Keyless Entry System

Fig 1: View Of Keyless Entry System Circuit Diagram (1 Of 2)
G01881640Courtesy of MITSUBISHI MOTOR SALES OF AMERICA.
Fig 2: View Of Keyless Entry System Circuit Diagram (2 Of 2)
G01881641Courtesy of MITSUBISHI MOTOR SALES OF AMERICA.