LEMON Manuals: Even more car manuals for everyone: 1960-2025
Home >> Mitsubishi >> 2003 >> Lancer Evolution >> Repair and Diagnosis >> Engine Mechanical >> Mechanical >> Overhaul - Evolution >> Generator And Ignition System >> Removal And Installation
April 5, 2026: LEMON Manuals is launched! Read the announcement.

Removal And Installation

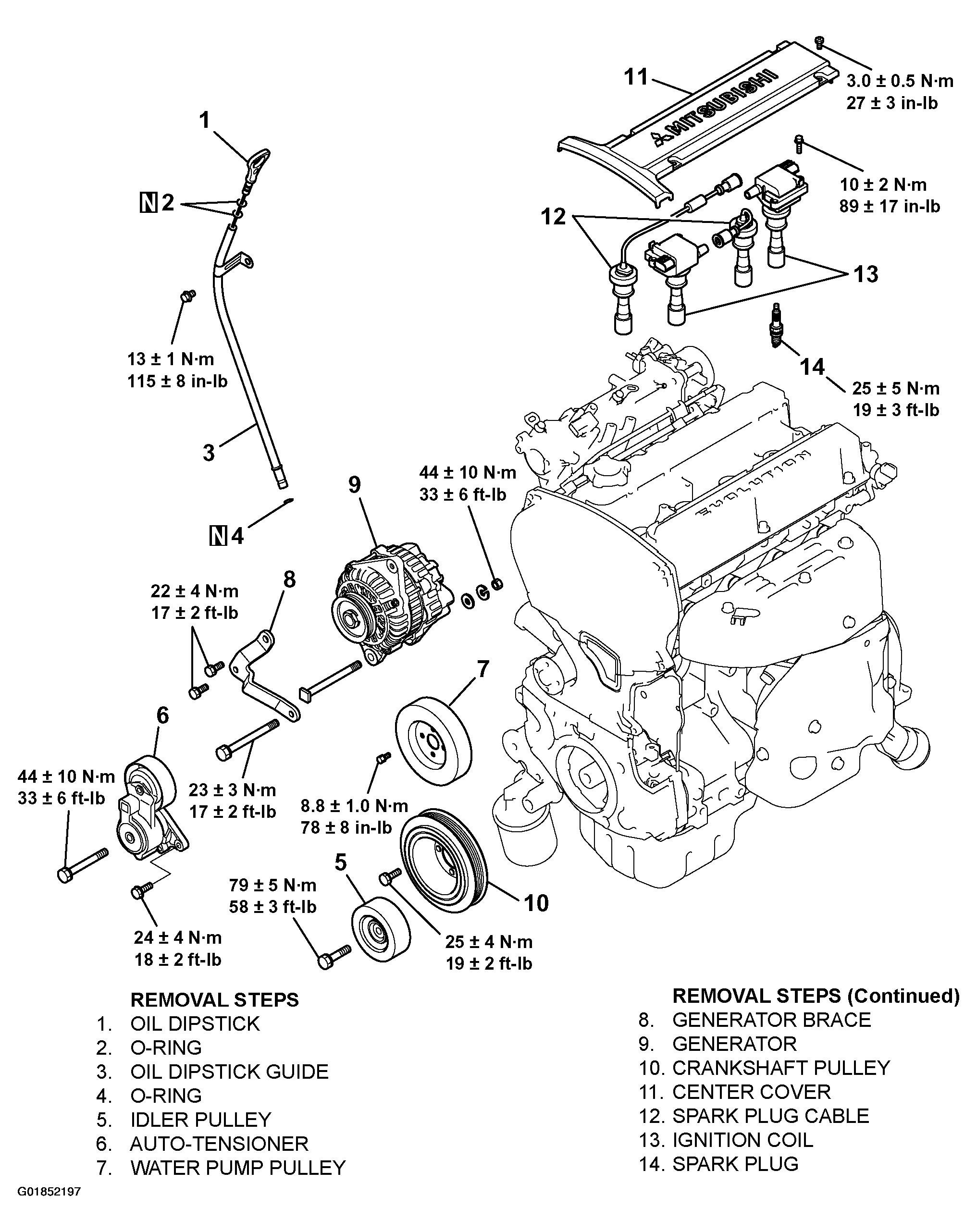
Fig 1: Generator And Ignition System Removing Procedure And Torque Specifications
G01852197Courtesy of MITSUBISHI MOTOR SALES OF AMERICA.