LEMON Manuals: Even more car manuals for everyone: 1960-2025
Home >> Mitsubishi >> 2003 >> Lancer Evolution >> Repair and Diagnosis >> External Pages >> Different car >> Section 117 (Anti-Lock Brake System) >> System Testing >> Test A: DTC Always On, Malfunction In Ecu, Abs Warning Light Circuit >> Testing Procedure
April 5, 2026: LEMON Manuals is launched! Read the announcement.

Testing Procedure

WARNING: This page is about a different car, the 2003 Lexus LS 430, 2002 Lexus LS 430, and 2001 Lexus LS 430. However, it is still accessible from the selected car via links, so may be relevant.

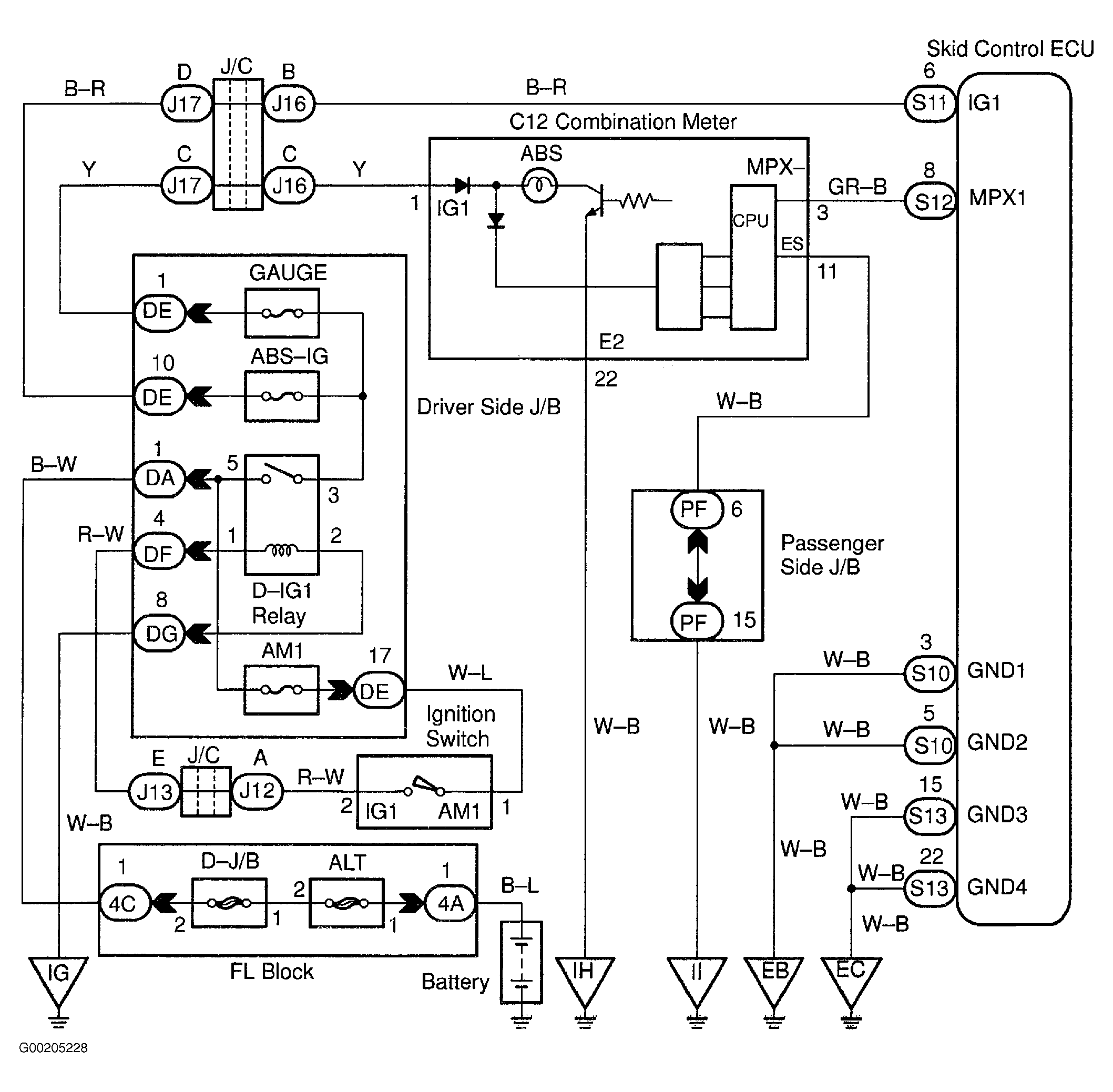
For wiring diagram see Fig 1. For testing procedure see Fig 2-Fig 4 .

Fig 1: ECU ABS Warning Light Circuit Wiring Diagram
G00205228Courtesy of © TOYOTA, LICENSE AGREEMENT TMS1002
Fig 2: Testing Procedure ECU, ABS Warning Light Circuit (1 Of 3)
G00205229Courtesy of © TOYOTA, LICENSE AGREEMENT TMS1002
Fig 3: Testing Procedure ECU, ABS Warning Light Circuit (2 Of 3)
G00205230Courtesy of © TOYOTA, LICENSE AGREEMENT TMS1002
Fig 4: Testing Procedure ECU, ABS Warning Light Circuit (3 Of 3)
G00205231Courtesy of © TOYOTA, LICENSE AGREEMENT TMS1002