LEMON Manuals: Even more car manuals for everyone: 1960-2025
Home >> Mitsubishi >> 2003 >> Lancer Evolution >> Repair and Diagnosis >> External Pages >> Different car >> Section 204 (Power Door Lock System) >> Power Door Lock System >> Schematic
April 5, 2026: LEMON Manuals is launched! Read the announcement.

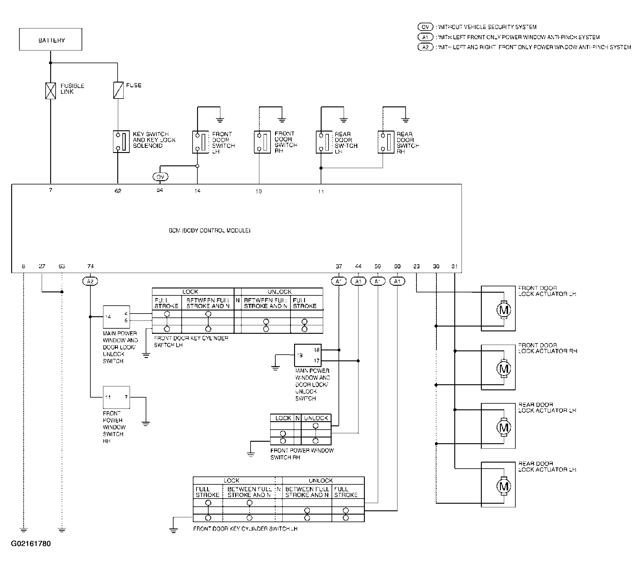
Power Door Lock System: Schematic

WARNING: This page is about a different car, the 2003 Nissan Altima. However, it is still accessible from the selected car via links, so may be relevant.
Fig 1: Schematic Diagram - Power Door Lock System
G02161780Courtesy of NISSAN MOTOR CO., U.S.A.