LEMON Manuals: Even more car manuals for everyone: 1960-2025
Home >> Mitsubishi >> 2003 >> Lancer Evolution >> Repair and Diagnosis >> External Pages >> Different car >> Section 221 (Audio System, Visual System & Telephone System) >> Audio >> Wiring Diagram - AUDIO - >> Base System
April 5, 2026: LEMON Manuals is launched! Read the announcement.

Base System

WARNING: This page is about a different car, the 2003 Nissan Altima. However, it is still accessible from the selected car via links, so may be relevant.
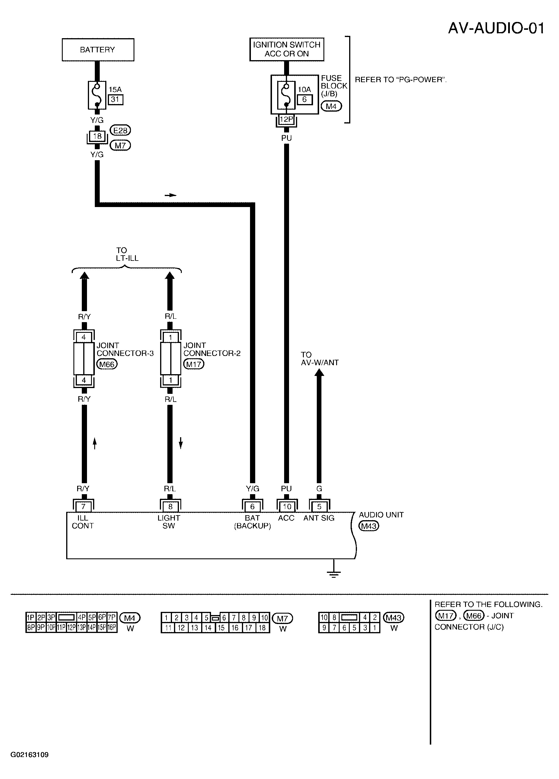
Fig 1: Wiring Diagram - AUDIO - Base System (1 Of 3)
G02163109Courtesy of NISSAN MOTOR CO., U.S.A.
Fig 2: Wiring Diagram - AUDIO - Base System (2 Of 3)
G02163110Courtesy of NISSAN MOTOR CO., U.S.A.
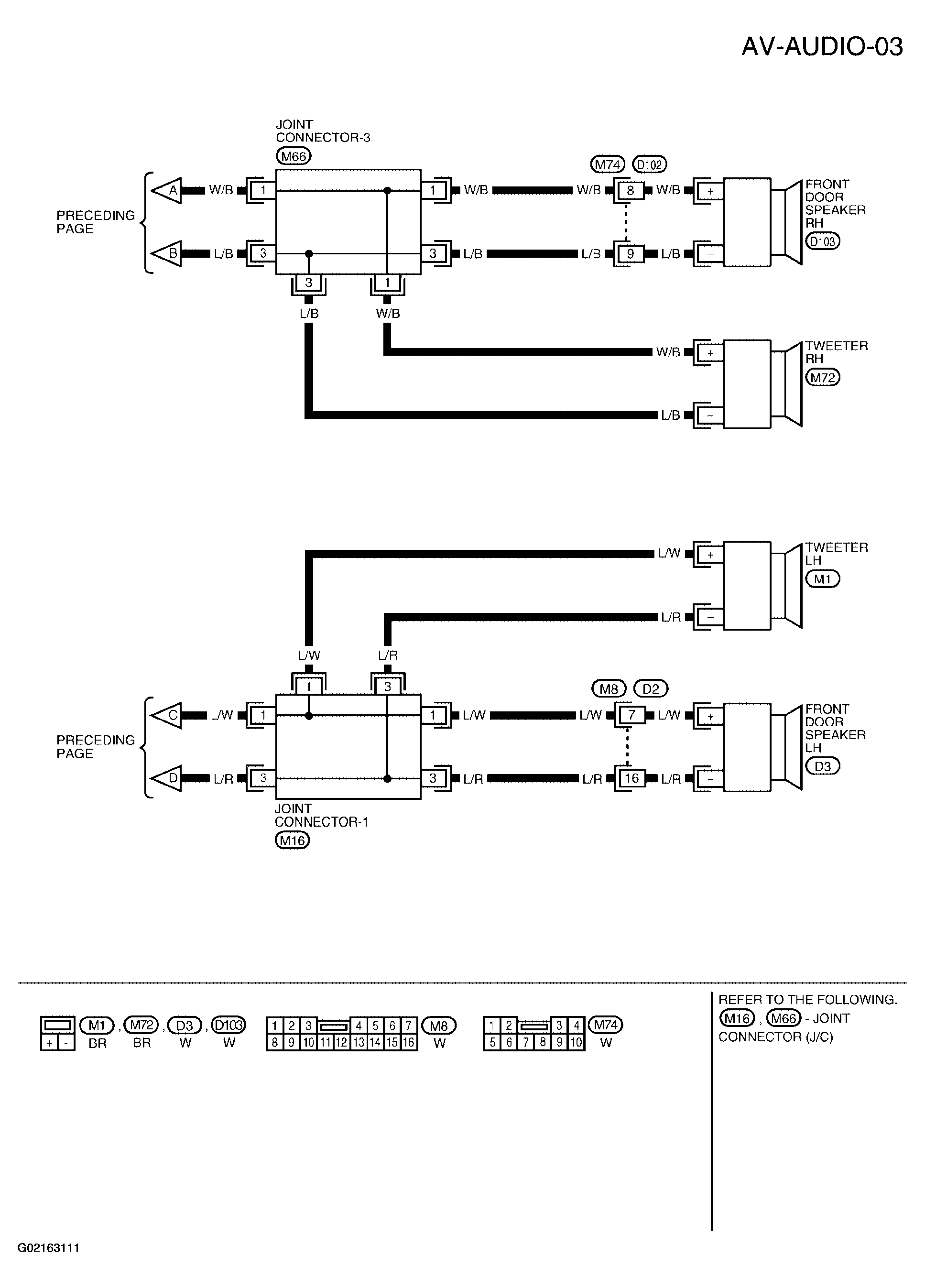
Fig 3: Wiring Diagram - AUDIO - Base System (3 Of 3)
G02163111Courtesy of NISSAN MOTOR CO., U.S.A.