LEMON Manuals: Even more car manuals for everyone: 1960-2025
Home >> Mitsubishi >> 2003 >> Lancer Evolution >> Repair and Diagnosis >> External Pages >> Different car >> Section 82 (Engine Controls - Self-Diagnostics) >> Diagnostic Tests >> DTC P0452: EVAP Control System Pressure Sensor >> Circuit Identification
April 5, 2026: LEMON Manuals is launched! Read the announcement.

Circuit Identification

WARNING: This page is about a different car, the 2003 Nissan Altima. However, it is still accessible from the selected car via links, so may be relevant.

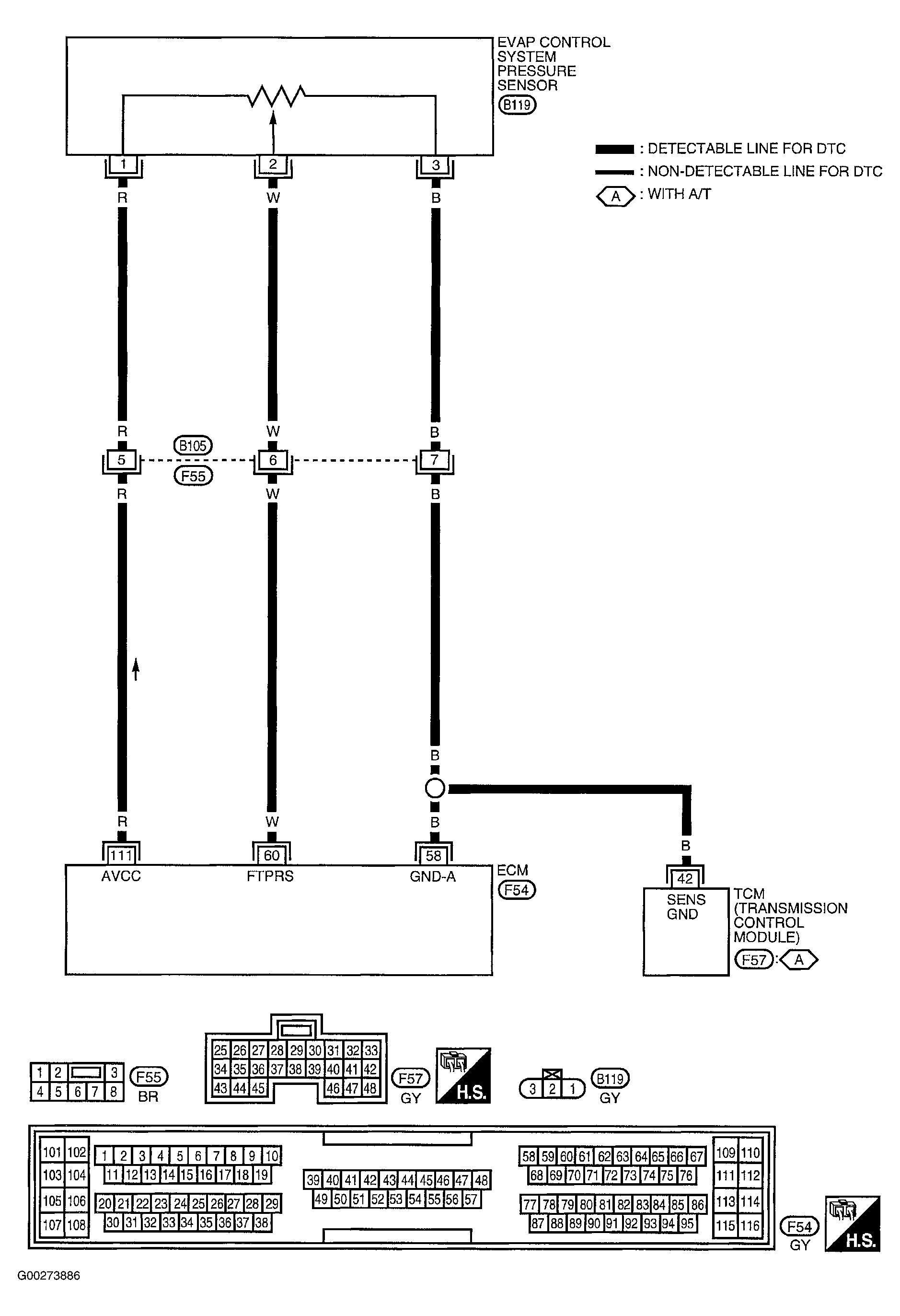
For circuit identification, see Fig 1 - Fig 2.

Fig 1: Circuit Identification For EVAP Control System Pressure Sensor (2.5L)
G00273885Courtesy of NISSAN MOTOR CO., U.S.A.
Fig 2: Circuit Identification For EVAP Control System Pressure Sensor (3.5L)
G00273886Courtesy of NISSAN MOTOR CO., U.S.A.