LEMON Manuals: Even more car manuals for everyone: 1960-2025
Home >> Mitsubishi >> 2003 >> Lancer Evolution >> Repair and Diagnosis >> External Pages >> Different car >> Section 82 (Engine Controls - Self-Diagnostics) >> Diagnostic Tests >> DTC P0462: Fuel Level Sensor Circuit Low Input Or DTC P0463: Fuel Level Sensor Circuit High Input >> Circuit Identification
April 5, 2026: LEMON Manuals is launched! Read the announcement.

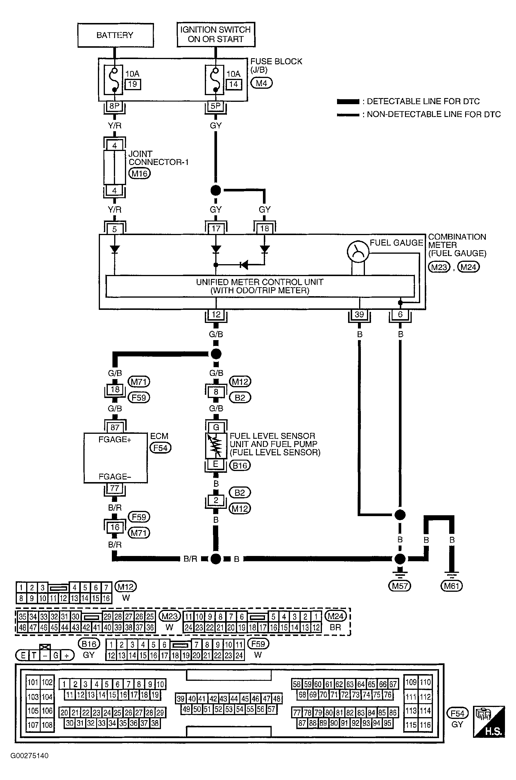
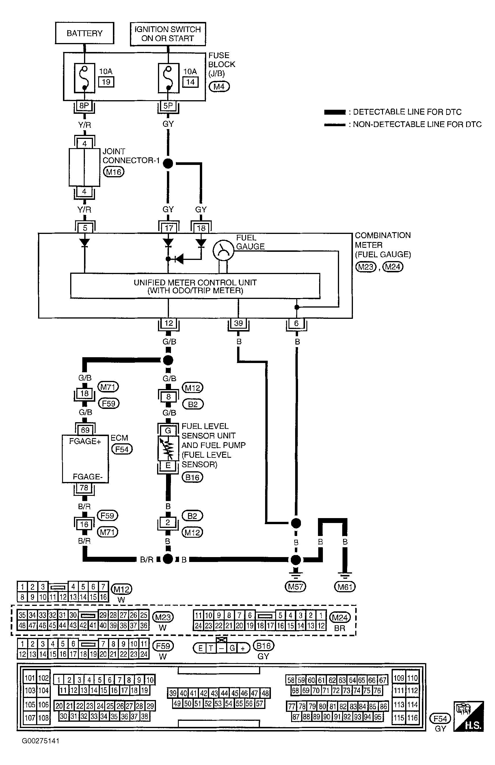
Circuit Identification

WARNING: This page is about a different car, the 2003 Nissan Altima. However, it is still accessible from the selected car via links, so may be relevant.

For circuit identification, see Figure - Figure.