LEMON Manuals: Even more car manuals for everyone: 1960-2025
Home >> Mitsubishi >> 2004 >> Eclipse GTS, Automatic >> Repair and Diagnosis >> Engine Performance >> System >> Emission Control System >> Evaporative Emission Control System >> Purge Control System Check (Purge Flow Check)
April 5, 2026: LEMON Manuals is launched! Read the announcement.

Purge Control System Check (Purge Flow Check)

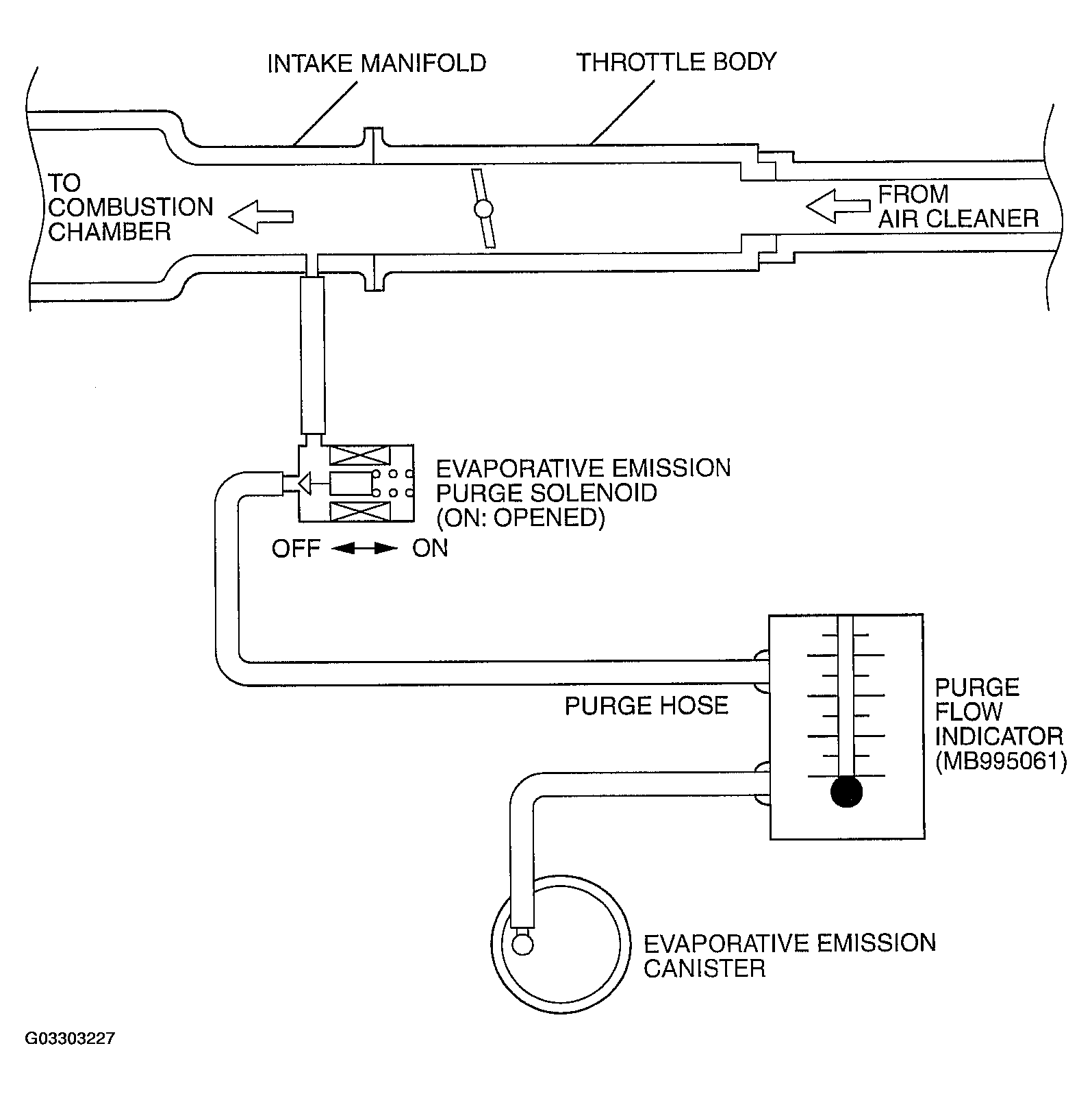
Fig 1: Identifying Purge Control System
G03303227Courtesy of MITSUBISHI MOTOR SALES OF AMERICA.

Required Special Tool:

MB995061: Purge Flow Indicator

  1. Disconnect the purge hose from the evaporative emission (EVAP) purge solenoid, and connect special tool MB995061 between the EVAP purge solenoid and the purge hose.
  2. Before inspection and adjustment, set the vehicle in the following conditions:
    • Engine coolant temperature: 80 - 95°C (176 - 203°F)
    • Lights, electric cooling fan and accessories: OFF
    • Transaxle: Neutral (A/T - P range)
  3. Run the engine at idle for more than four minutes.
  4. Check the purge flow volume when engine is revved suddenly several times.

    Standard value: Momentarily 20 cm3 /s (2,5 SCFH) or more.

  5. If the purge flow volume is less than the standard value, check it again with the vacuum hose disconnected from the EVAP canister. If the purge flow volume is less than the standard value, check the vacuum port and the vacuum hose for clogging. Also check the EVAP purge solenoid. If the purge flow volume is at the standard value, replace the EVAP canister.