LEMON Manuals: Even more car manuals for everyone: 1960-2025
Home >> Mitsubishi >> 2004 >> Lancer Evolution >> Repair and Diagnosis >> External Pages >> Different variant/trim >> Section 41 (Emission Control System - Except Evolution & SPORTBACK) >> Exhaust Gas RECIRCULATION (EGR) System >> General Description (Exhaust Gas RECIRCULATION System) >> System Diagram >> < 2.0L Engine >
April 5, 2026: LEMON Manuals is launched! Read the announcement.

< 2.0L Engine >

WARNING: This page is about a different variant/trim than selected.
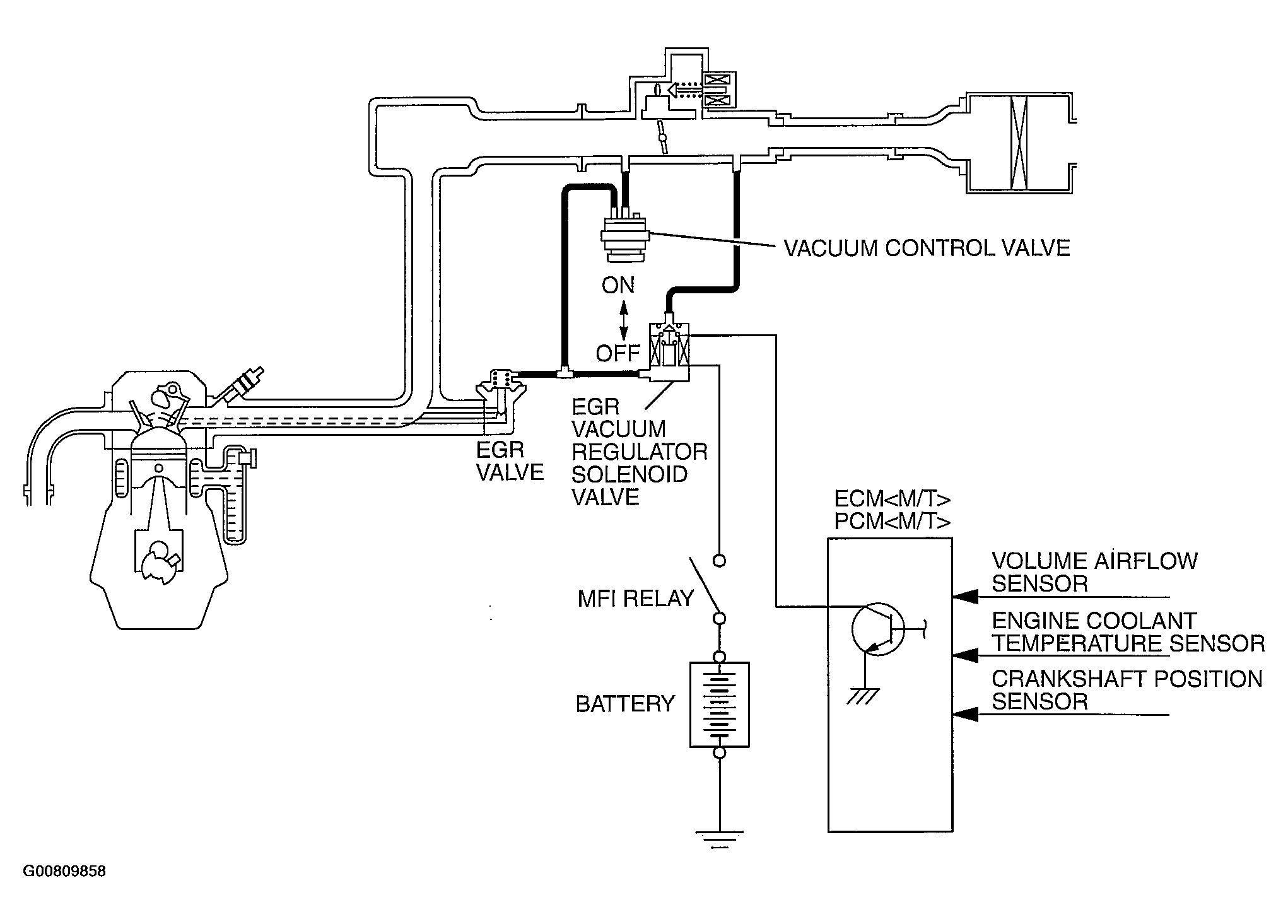
Fig 1: Emission Control System Diagram (2.0L Engine)
G00809858Courtesy of MITSUBISHI MOTOR SALES OF AMERICA.